|
本质安全防爆与安全栅
在许多工业过程中,需要处理或使用一些易燃材料,如原油和它的衍生物,酒精,天然气,粉末,飞扬物,任何渗漏或溅出都有可能形成一个爆炸环境(危险场所,具体分类方法见下文)。为了工厂和人员的安全,必须确保这个环境不会被点燃引起爆炸。
而在生产过程中大量使用电气设备,各种磨擦的电火花、静电火花、高温等不可避免,尤其当设备发生故障时,都有可能会点燃爆炸环境。为了防止爆炸的发生,至今已开发了8中不同的防爆技术,其中本质安全是一种低成本而高有效的防爆技术。
本质安全(IS)是系统防爆的技术,如下图,安全场所的控制室设备通过安全栅与危险场所的本安设备相连,传递信号或能量。安全栅利用限流和限压电路,限制了从安全场所传递到危险场所的能量;处于危险场所的本安设备在这样的能量下能够正常工作,但这样的能量不足以引燃爆炸环境,即使本安设备自身发生故障,也不会产生任何足以引燃的电火花或发热表面。因此,无论是安全场所的控制室设备还是危险场所的本安设备发生故障,只要安全栅的限流限压电路正常工作,整个系统都会处于安全状态,不会产生爆炸。

安全栅作为控制室的非本安设备与危险场所的本安设备之间的关联设备,是本安防爆系统中的重要组成部分。常见的安全栅包括齐纳式安全栅、晶体管式安全栅、变压器隔离式安全栅。
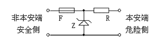
齐纳式安全栅电路原理如下图所示,稳压二极管Z限制了从非本安端传到本安端的电压,电阻R则限制了从非本安端传到本安端的电流,快速熔断器F用于保护稳压二极管Z不被过大的电流烧坏。由于电路的限压和限流,输出到危险区的能量被限制在安全值以内。齐纳式安全栅的特点是电路所用的元器件极少、故障率低、成本低、回路信号保真性好;但由于必须加限能电阻和智能变送器的采样电阻,过大的电压降低往往会导致回路供电不足;而且在工程应用中必须可靠接地,否则便会失去防爆安全保护功能。
齐纳式安全栅是本安防爆系统中的一种非常重要的关联设备。当出现故障时,齐纳安全栅会确保现场安全。齐纳式安全栅起保护作用后它内部的熔丝就要烧断,由于防爆上的特殊要求:齐纳式安全栅要用环氧树脂灌封,因而烧断熔丝的齐纳安全栅也就损坏了,必须更换新的齐纳式安全栅。MSB500系列齐纳安全栅是一种新颖的熔丝可更换式齐纳安全栅,系我公司新开发的齐纳式安全栅。产品系列齐全,适用于各种变送器、电气阀门定位器、各类开关、电磁阀、流量仪表、热电阻、热电偶及一些特殊的现场仪表。同时可与各种
DCS
系统连接对智能变送器实现双向数字通讯。MSB500系列齐纳式安全栅是在常规的齐纳安全栅基础上改进而成的,由一个完整的齐纳安全栅和可更换的熔丝组成。在出现故障时可以很方便的更换熔断器,避免了烦琐的拆装工作。
晶体管式安全栅以晶体管组成限压限流电路,如下图,正常情况下Z1和Q1截止、Q2导通,非本安端与本安端进行信号传送。当非本安端电压过高时,Z1反向击穿,Q1导通,使Q2截止,切断了非本安端与本安端的通路,使本安端输出电压为零,实现过压保护作用;当回路电流过大时,R4上压降增大,使Q1导通,Q2进入线性放大状态,限制回路电流,实现过流保护作用。与齐纳式安全栅比较,晶体管式安全栅相对复杂,但由于它不需要熔断器,系统正常时它能自动恢复到正常工作状态并可以重复使用,所以通常又称之为重复式安全栅。
重复式安全栅本身不需要接地,也没有隔离功能。在防爆系统中使用时必须和隔离单元配合使用。由于电路相对复杂,难以做到3重防爆,所以只适合防爆要求不高的1区和2区。我公司的MSB101安全栅就是这样的安全栅。
隔离式安全栅以上述两种安全栅作为本安电路,实现能量限制功能;并用变压器或光电器件隔离本安电路与非本安电路,进行能量交换和信号传输,其原理框图如下。隔离式安全栅线路复杂,但通用性强、可靠性高。隔离式安全栅信号处理功能更强,能够接受并处理热电偶、热电阻等信号,也很容易实现信号分配(一入二出),使之适用面更广;由于电源、输入、输出相互隔离,在组成系统时不需要接地,给设计与工程施工带来很大方便,降低了系统的综合成本;因为没有公共接地,信号完全浮空,检测和控制回路的信号稳定性和抗干扰能力大大加强,从而提高了整个系统的可靠性(对于DCS自动控制系统来说,这一点特别重要)。
我公司的MSB300系列隔离式安全栅产品种类丰富,可以满足各种现场应用需求。MSB300系列隔离式安全栅产品采用数字化技术,性能稳定可靠,自动补偿零点,校准由软件完成,不需要可调电位器,避免了机械影响。MSB300系列隔离式安全栅针对目前大多数工程应用情况,在不影响使用的情况下,适当地降低了输出负载能力,并大幅度提高了电源电路的工作效率,从而大大降低了整机工作功耗,提高了产品的热稳定性,并可以给用户带来直接的经济效益。
安全栅属于国家强制检验范围,它的电路设计和结构设计必须通过国家防爆检验机关检验,检验合格并获得证书才能投入使用。在进行防爆系统设计时,必须根据危险场所的危险性、危险场所的气体环境,选用相应防爆等级的安全栅。
危险场所危险性的划分
爆炸性危险气体危险性分类
根据气体和空气的混合物容易被点燃所需要的能量划分。设备根据它所适用的气体环境分组。
安全栅的防爆等级
本质安全型电器设备及其关联设备,按本安电路使用的场所和安全程度分为ia和ib两个等级。
ia:在正常工作、1个故障和2个故障时均不能点燃爆炸性气体混合物,适用于0区、1区、2区;
ib:在正常工作和1个故障时不能点燃爆炸性气体混合物,适用于1区、2区。
安全栅的防爆标志
防爆标志格式:[Exia]ⅡC
|