|
|
|
|
Hydraulics, Inc. 旋转接头 SWIVELS
SWIVELS, COUPLINGS, AND CONTROLS FOR HYDRAULIC SYSTEMS
SWIVELS;S-Inline,HS-Heavy Duty Inline,9S-90° Swivel,9SS-Dual Plane Swivel,18S-Parallel Plane Swivel,Flange Swivels
SWIVELS;9S-90° Swivel
“9S”系列旋转阀代表了工业上完整的尺寸和配置范围之一。该系列已重新设计,以纳入一个整体桶安排,从而消除了钎焊接头的需要。这些旋转阀压力平衡,工作压力高达5000 psi。所有配置均采用4:1安全系数设计,并包括符合RoHS标准的镀锌层。The "9S" Series swivels represent one of the most complete range of sizes and configurations available to industry. This series has been redesigned to incorporate a one piece barrel arrangement thus eliminating the need for braze joints. These swivels are pressure balanced with operating pressures up to 5,000 psi. All configurations are designed with a 4:1 Safety Factor and include RoHS compliant zinc plating.

HYDRAULICS, INC. 设计特性
防护处理.黄色铬酸盐RoHS兼容表面镀锌
整体熔模铸造筒体-无钎焊接头
全4:1设计安全系数
标准O形环和支承环-现场可更换密封套件
可选密封材料
抛光缸孔-延长密封寿命
嵌入式和保护防尘密封件
低旋转扭矩的压力平衡
重型固定环
优良的流动特性
HYDRAULICS, INC. Design Features
Protective treatment - Zinc Plating with Yellow Chromate RoHS compliant finish
One piece investment cast barrel - no braze joint
Full 4:1 design safety factor
Standard O-Ring and back up ring - Field replaceable seal kits
Optional seal material
Burnished barrel bore - Extends seal life
Recessed and protected dust seals
Pressure balanced for low rotational torque
Heavy duty retainer ring
Excellent flow characteristics

压力限制:Pressure Limitations:
“9S”系列旋转阀的工作压力取决于所选的端口选择,可达5000 psi(34.5 MPa);然而,连接管道的额定压力可能高于或低于旋转阀。流体动力系统的额定工作压力不应超过其额定部件。Maximum working pressure for “9S” Series swivels is up to 5,000 psi (34.5 MPa) depending on port options chosen; however, connecting plumbing may be rated higher or lower than that of the swivel. The rated working pressure of a fluid power system should not exceed the lowest rated component therein.
安装信息:Installation Information:
Hydraulics, Inc.的旋转接头通常被认为是流体动力系统中遇到的低速旋转。转速取决于系统环境,流体类型和与温度和压力有关的极端条件是首要考虑因素。可疑的应用应通过实验室或原型测试证明。安装时应避免污染,连接管道不应造成过度负荷。水龙头不应用作承重或结构构件。请参阅安全信息,选择和使用液压系统,包括旋转接头。Hydraulics, Inc. swivel joints are generally considered for low speed rotation as encountered in fluid power systems. Maximum speed of rotation depends upon system environment, with fluid types and extreme conditions related to temperature and pressure being of prime consideration. Questionable applications should be proven by laboratory or prototype testing. Contamination at installation should be avoided and connecting plumbing should not cause undue loading. The swivel should not be used as a load bearing or structural member. Refer to Safety Information, Selecting and Using Hydraulics, Inc. Swivel Joints.
选项:Options:
本目录中显示的旋转阀被视为Hydraulics, Inc.的标准配置。对于本目录中未显示的与压力额定值或端口选项相关的其他要求,请与我们联系。可通过在零件号中添加密封化合物指示符后缀来指定可选的密封材料。Swivels shown in this catalog are considered standard to Hydraulics, Inc. For other requirements relative to pressure ratings or port options, not shown in this catalog, please contact us. Optional seal material may be specified by adding the seal compound designator suffix to the part number.

 |
 |
 |
| Male O-Ring Face Seal to Male O-Ring Face Seal |
Male O-Ring Face Seal to Female O-Ring Face Seal |
Male O-Ring Face Seal to Male JIC |
 |
 |
 |
| Male O-Ring Face Seal to Male SAE O-Ring Boss |
Male O-Ring Face Seal to Male Pipe |
Male O-Ring Face Seal to Female Pipe |
 |
 |
 |
| Female O-Ring Face Seal Union to Male O-Ring Face Seal |
Female O-Ring Face Seal Union to Female O-Ring Face Seal |
Female O-Ring Face Seal Union to Male JIC |
 |
 |
 |
| Female O-Ring Face Seal Union to Male SAE O-Ring Boss |
Female O-Ring Face Seal Union to Male Pipe |
Female O-Ring Face Seal Union to Female Pipe |
 |
 |
 |
Male JIC to Male O-Ring Face Seal
|
Male JIC to Female O-Ring Face Seal |
Male JIC to Male JIC |
 |
 |
 |
| Male JIC to Male SAE O-Ring Boss |
Male JIC to Male Pipe |
Male JIC to Female Pipe |
 |
 |
 |
| Female Pipe Union to Male O-Ring Face Seal |
Female Pipe Union to Female O-Ring Face Seal |
Female Pipe Union to Male JIC |
 |
 |
 |
| Female Pipe Union to Male SAE O-Ring Boss |
Female Pipe Union to Male Pipe |
Female Pipe Union to Female Pipe |
 |
 |
 |
| Female Pipe to Male O-Ring Face Seal |
Female Pipe to Female O-Ring Face Seal |
Female Pipe to Male JIC |
 |
 |
 |
| Female Pipe to Male SAE O-Ring Boss |
Female Pipe to Male Pipe |
Female Pipe to Female Pipe |
 |
 |
 |
| Male Pipe to Male O-Ring Face Seal |
Male Pipe to Female O-Ring Face Seal |
Male Pipe to Male JIC |
 |
 |
 |
| Male Pipe to O-Male SAE O-Ring Boss |
Male Pipe to Male Pipe |
Male Pipe to Female Pipe |
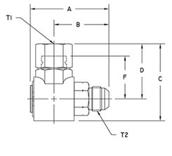
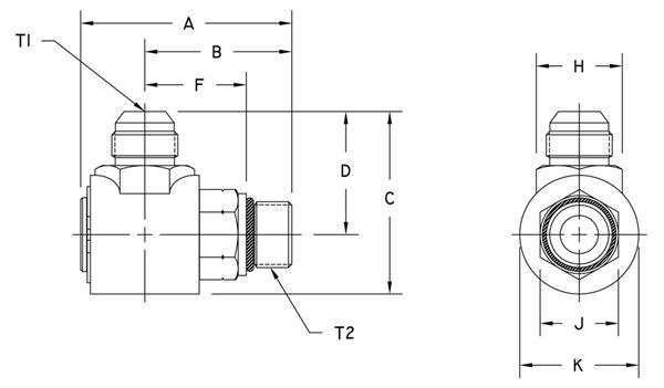
SWIVELS | 9S-90° SWIVEL | MALE O-RING FACE SEAL TO MALE O-RING FACE SEAL
MALE O-RING FACE SEAL TO MALE O-RING FACE SEAL
male-o-ring-face-seal-to-male-o-ring-face-seal

| Part Number |
T1 |
T2 |
A |
B |
C |
D |
H Hex |
J Hex(* = Round) |
K Dia. |
Max W.P. |
| 9S4F4-F4 |
9/16-18 UNF-2A |
9/16-18 UNF-2A |
2.12 53.8 mm |
1.40 35.6 mm |
1.44 36.6 mm |
1.06 26.9 mm |
0.75 19.1 mm |
0.75 19.1 mm |
0.75 19.1 mm |
5,000 PSI 34.5 MPa |
| 9S6F6-F6 |
11/16-16 UN-2A |
11/16-16 UN-2A |
2.50 63.5 mm |
1.65 41.9 mm |
1.62 41.1 mm |
1.16 29.5 mm |
1.00 25.4 mm |
0.87 22.1 mm |
0.92 23.4 mm |
5,000 PSI 34.5 MPa |
| 9S6F6-F8 |
11/16-16 UN-2A |
13/16-16 UN-2A |
2.50 63.5 mm |
1.65 41.9 mm |
1.62 41.1 mm |
1.16 29.5 mm |
1.00 25.4 mm |
1.00 25.4 mm |
0.92 23.4 mm |
5,000 PSI 34.5 MPa |
| 9S6F8-F6 |
13/16-16 UN-2A |
11/16-16 UN-2A |
2.50 63.5 mm |
1.65 41.9 mm |
1.74 44.2 mm |
1.26 32.0 mm |
1.00 25.4 mm |
0.87 22.1 mm |
0.92 23.4 mm |
5,000 PSI 34.5 MPa |
| 9S6F8-F8 |
13/16-16 UN-2A |
13/16-16 UN-2A |
2.50 63.5 mm |
1.65 41.9 mm |
1.74 44.2 mm |
1.26 32.0 mm |
1.00 25.4 mm |
1.00 25.4 mm |
0.92 23.4 mm |
5,000 PSI 34.5 MPa |
| 9S8F8-F8 |
13/16-16 UN-2A |
13/16-16 UN-2A |
2.58 65.5 mm |
1.74 44.2 mm |
2.12 53.8 mm |
1.37 34.8 mm |
1.13 28.7 mm |
1.00 25.4 mm |
1.50 38.1 mm |
5,000 PSI 34.5 MPa |
| 9S8F8-F10 |
13/16-16 UN-2A |
1-14 UNS-2A |
2.77 70.4 mm |
1.93 49.0 mm |
2.12 53.8 mm |
1.37 34.8 mm |
1.13 28.7 mm |
1.00 25.4 mm |
1.50 38.1 mm |
5,000 PSI 34.5 MPa |
| 9S8F10-F8 |
1-14 UNS-2A |
13/16-16 UN-2A |
2.58 65.5 mm |
1.74 44.2 mm |
2.28 57.9 mm |
1.53 38.9 mm |
1.13 28.7 mm |
1.00 25.4 mm |
1.50 38.1 mm |
5,000 PSI 34.5 MPa |
| 9S8F10-F10 |
1-14 UNS-2A |
1-14 UNS-2A |
2.77 70.4 mm |
1.93 49.0 mm |
2.28 57.9 mm |
1.53 38.9 mm |
1.13 28.7 mm |
1.00 25.4 mm |
1.50 38.1 mm |
5,000 PSI 34.5 MPa |
| 9S12F12-F12 |
1 3/16-12 UN-2A |
1 3/16-12 UN-2A |
3.34 84.8 mm |
2.30 58.4 mm |
2.83 71.9 mm |
1.88 47.8 mm |
1.38 35.1 mm |
1.25 31.8 mm |
1.90 48.3 mm |
5,000 PSI 34.5 MPa |
| 9S16F16-F16 |
1 7/16-12 UN-2A |
1 7/16-12 UN-2A |
3.76 95.5 mm |
2.62 66.5 mm |
3.12 79.2 mm |
2.05 52.1 mm |
1.62 41.1 mm |
1.62 41.1 mm |
2.13 54.1 mm |
4,000 PSI 27.6 MPa |
| 9S20F20-F20 |
1 11/16-12 UN-2A |
1 11/16-12 UN-2A |
4.12 104.6 mm |
2.80 71.1 mm |
3.57 90.7 mm |
2.19 55.6 mm |
2.00 50.8 mm |
2.00 50.8 mm |
2.75 69.9 mm |
4,000 PSI 27.6 MPa |
| 9S24F24-F24 |
2-12 UN-2A |
2-12 UN-2A |
5.26 133.6 mm |
3.49 88.6 mm |
4.33 110.0 mm |
2.58 65.5 mm |
2.37 60.2 mm |
2.37 60.2 mm |
3.50 88.9 mm |
4,000 PSI 27.6 MPa |
SWIVELS | 9S-90° SWIVEL | MALE O-RING FACE SEAL TO FEMALE O-RING FACE SEAL
MALE O-RING FACE SEAL TO FEMALE O-RING FACE SEAL
male-o-ring-face-seal-to-female-o-ring-face-seal

| Part Number |
T1 |
T2 |
A |
B |
C |
D |
F |
H Hex |
J Hex(* = Round) |
K Dia. |
Max W.P. |
| 9S4F4-FF4 |
9/16-18 UNF-2A |
9/16-18 UNF-2B |
1.87 47.5 mm |
1.15 29.2 mm |
1.44 36.6 mm |
1.06 26.9 mm |
0.83 21.1 mm |
0.75 19.1 mm |
0.75 19.1 mm |
0.75 19.1 mm |
5,000 PSI 34.5 MPa |
| 9S6F6-FF6 |
11/16-16 UN-2A |
11/16-16 UN-2B |
2.22 56.4 mm |
1.37 34.8 mm |
1.62 41.1 mm |
1.16 29.5 mm |
1.00 25.4 mm |
1.00 25.4 mm |
0.87 22.1 mm |
0.92 23.4 mm |
5,000 PSI 34.5 MPa |
| 9S6F6-FF8 |
11/16-16 UN-2A |
13/16-16 UN-2B |
2.38 60.5 mm |
1.53 38.9 mm |
1.62 41.1 mm |
1.16 29.5 mm |
1.10 27.9 mm |
1.00 25.4 mm |
1.00 25.4 mm |
0.92 23.4 mm |
5,000 PSI 34.5 MPa |
| 9S6F8-FF6 |
13/16-16 UN-2A |
11/16-16 UN-2B |
2.22 56.4 mm |
1.37 34.8 mm |
1.74 44.2 mm |
1.26 32.0 mm |
1.00 25.4 mm |
1.00 25.4 mm |
0.87 22.1 mm |
0.92 23.4 mm |
5,000 PSI 34.5 MPa |
| 9S6F8-FF8 |
13/16-16 UN-2A |
13/16-16 UN-2B |
2.38 60.5 mm |
1.53 38.9 mm |
1.74 44.2 mm |
1.26 32.0 mm |
1.10 27.9 mm |
1.00 25.4 mm |
1.00 25.4 mm |
0.92 23.4 mm |
5,000 PSI 34.5 MPa |
| 9S8F8-FF8 |
13/16-16 UN-2A |
13/16-16 UN-2B |
2.36 59.9 mm |
1.52 38.6 mm |
2.12 53.8 mm |
1.37 34.8 mm |
1.08 27.4 mm |
1.13 28.7 mm |
1.00 25.4 mm |
1.50 38.1 mm |
5,000 PSI 34.5 MPa |
| 9S8F8-FF10 |
13/16-16 UN-2A |
1-14 UNS-2B |
2.46 62.5 mm |
1.62 41.1 mm |
2.12 53.8 mm |
1.37 34.8 mm |
1.09 27.7 mm |
1.13 28.7 mm |
1.25 31.8 mm |
1.50 38.1 mm |
5,000 PSI 34.5 MPa |
| 9S8F10-FF8 |
1-14 UNS-2A |
13/16-16 UN-2B |
2.36 59.9 mm |
1.52 38.6 mm |
2.28 57.9 mm |
1.53 38.9 mm |
1.08 27.4 mm |
1.13 28.7 mm |
1.00 25.4 mm |
1.50 38.1 mm |
5,000 PSI 34.5 MPa |
| 9S8F10-FF10 |
1-14 UNS-2A |
1-14 UNS-2B |
2.46 62.5 mm |
1.62 41.1 mm |
2.28 57.9 mm |
1.53 38.9 mm |
1.09 27.7 mm |
1.13 28.7 mm |
1.25 31.8 mm |
1.50 38.1 mm |
5,000 PSI 34.5 MPa |
| 9S12F12-FF12 |
1 3/16-12 UN-2A |
1 3/16-12 UN-2B |
2.92 74.2 mm |
1.88 47.8 mm |
2.83 71.9 mm |
1.88 47.8 mm |
1.31 33.3 mm |
1.37 34.8 mm |
1.37 34.8 mm |
1.90 48.3 mm |
5,000 PSI 34.5 MPa |
| 9S16F16-FF16 |
1 7/16-12 UN-2A |
1 7/16-12 UN-2B |
3.21 81.5 mm |
2.06 52.3 mm |
3.12 79.2 mm |
2.05 52.1 mm |
1.48 37.6 mm |
1.62 41.1 mm |
1.62 41.1 mm |
2.13 54.1 mm |
4,000 PSI 27.6 MPa |
| 9S20F20-FF20 |
1 11/16-12 UN-2A |
1 11/16-12 UN-2B |
3.55 90.2 mm |
2.33 59.2 mm |
3.57 90.7 mm |
2.19 55.6 mm |
1.65 41.9 mm |
2.00 50.8 mm |
2.00 50.8 mm |
2.75 69.9 mm |
4,000 PSI 27.6 MPa |
| 9S24F24-FF24 |
2-12 UN-2A |
2-12 UN-2B |
4.43 112.5 mm |
2.66 67.6 mm |
4.33 110.0 mm |
2.58 65.5 mm |
2.08 52.8 mm |
2.37 60.2 mm |
2.37 60.2 mm |
3.50 88.9 mm |
4,000 PSI 27.6 MPa |
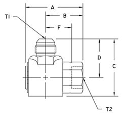
SWIVELS | 9S-90° SWIVEL | MALE O-RING FACE SEAL TO MALE JIC
MALE O-RING FACE SEAL TO MALE JIC
male-o-ring-face-seal-to-male-jic

| Part Number |
T1 |
T2 |
A |
B |
C |
D |
H Hex |
J Hex(* = Round) |
K Dia. |
Max W.P. |
| 9S4F4-J4 |
9/16-18 UNF-2A |
7/16-20 UNF-2A |
2.24 56.9 mm |
1.52 38.6 mm |
1.44 36.6 mm |
1.06 26.9 mm |
0.75 19.1 mm |
0.75 19.1 mm |
0.75 19.1 mm |
5,000 PSI 34.5 MPa |
| 9S4F4-J5 |
9/16-18 UNF-2A |
1/2-20 UNF-2A |
2.24 56.9 mm |
1.52 38.6 mm |
1.44 36.6 mm |
1.06 26.9 mm |
0.75 19.1 mm |
0.75 19.1 mm |
0.75 19.1 mm |
5,000 PSI 34.5 MPa |
| 9S6F4-J6 |
9/16-18 UNF-2A |
9/16-18 UNF-2A |
2.50 63.5 mm |
1.65 41.9 mm |
1.57 39.9 mm |
1.11 28.2 mm |
1.00 25.4 mm |
0.87 22.1 mm |
0.92 23.4 mm |
5,000 PSI 34.5 MPa |
| 9S6F6-J5 |
11/16-16 UN-2A |
1/2-20 UNF-2A |
2.50 63.5 mm |
1.65 41.9 mm |
1.62 41.1 mm |
1.16 29.5 mm |
1.00 25.4 mm |
0.87 22.1 mm |
0.92 23.4 mm |
5,000 PSI 34.5 MPa |
| 9S6F6-J6 |
11/16-16 UN-2A |
9/16-18 UNF-2A |
2.50 63.5 mm |
1.65 41.9 mm |
1.62 41.1 mm |
1.16 29.5 mm |
1.00 25.4 mm |
0.87 22.1 mm |
0.92 23.4 mm |
5,000 PSI 34.5 MPa |
| 9S6F6-J8 |
11/16-16 UN-2A |
3/4-16 UNF-2A |
2.50 63.5 mm |
1.65 41.9 mm |
1.62 41.1 mm |
1.16 29.5 mm |
1.00 25.4 mm |
0.87 22.1 mm |
0.92 23.4 mm |
5,000 PSI 34.5 MPa |
| 9S6F8-J6 |
13/16-16 UN-2A |
9/16-18 UNF-2A |
2.50 63.5 mm |
1.65 41.9 mm |
1.72 43.7 mm |
1.26 32.0 mm |
1.13 28.7 mm |
0.87 22.1 mm |
0.92 23.4 mm |
5,000 PSI 34.5 MPa |
| 9S6F8-J8 |
13/16-16 UN-2A |
3/4-16 UNF-2A |
2.50 63.5 mm |
1.65 41.9 mm |
1.72 43.7 mm |
1.26 32.0 mm |
1.13 28.7 mm |
0.87 22.1 mm |
0.92 23.4 mm |
5,000 PSI 34.5 MPa |
| 9S8F8-J10 |
13/16-16 UN-2A |
7/8-14 UNF-2A |
2.83 71.9 mm |
1.99 50.5 mm |
2.12 53.8 mm |
1.37 34.8 mm |
1.13 28.7 mm |
1.00 25.4 mm |
1.50 38.1 mm |
5,000 PSI 34.5 MPa |
| 9S8F10-J10 |
1-14 UNS-2A |
7/8-14 UNF-2A |
2.83 71.9 mm |
1.99 50.5 mm |
2.28 57.9 mm |
1.53 38.9 mm |
1.13 28.7 mm |
1.00 25.4 mm |
1.50 38.1 mm |
5,000 PSI 34.5 MPa |
| 9S12F12-J12 |
1 3/16-12 UN-2A |
1 1/16-12 UN-2A |
3.40 86.4 mm |
2.36 59.9 mm |
2.83 71.9 mm |
1.88 47.8 mm |
1.38 35.1 mm |
1.25 31.8 mm |
1.90 48.3 mm |
5,000 PSI 34.5 MPa |
| 9S16F16-J16 |
1 7/16-12 UN-2A |
1 5/16-12 UN-2A |
3.82 97.0 mm |
2.68 68.1 mm |
3.12 79.2 mm |
2.05 52.1 mm |
1.62 41.1 mm |
1.62 41.1 mm |
2.13 54.1 mm |
4,000 PSI 27.6 MPa |
| 9S20F20-J20 |
1 11/16-12 UN-2A |
1 5/8-12 UN-2A |
4.12 104.6 mm |
2.80 71.1 mm |
3.57 90.7 mm |
2.19 55.6 mm |
2.00 50.8 mm |
2.00 50.8 mm |
2.75 69.9 mm |
4,000 PSI 27.6 MPa |
| 9S24F24-J24 |
2-12 UN-2A |
1 7/8-12 UN-2A |
5.27 133.9 mm |
3.50 88.9 mm |
4.33 110.0 mm |
2.58 65.5 mm |
2.37 60.2 mm |
2.37 60.2 mm |
3.50 88.9 mm |
4,000 PSI 27.6 MPa |
SWIVELS | 9S-90° SWIVEL | MALE O-RING FACE SEAL TO MALE SAE O-RING BOSS
MALE O-RING FACE SEAL TO MALE SAE O-RING BOSS
male-o-ring-face-seal-to-male-sae-o-ring-boss

| Part Number |
T1 |
T2 |
A |
B |
C |
D |
F |
H Hex |
J Hex(* = Round) |
K Dia. |
Max W.P. |
| 9S4F4-O4 |
9/16-18 UNF-2A |
7/16-20 UNF-2A |
2.20 55.9 mm |
1.48 37.6 mm |
1.44 36.6 mm |
1.06 26.9 mm |
1.05 26.7 mm |
0.75 19.1 mm |
0.75 19.1 mm |
0.75 19.1 mm |
5,000 PSI 34.5 MPa |
| 9S4F4-O5 |
9/16-18 UNF-2A |
1/2-20 UNF-2A |
2.20 55.9 mm |
1.48 37.6 mm |
1.44 36.6 mm |
1.06 26.9 mm |
1.05 26.7 mm |
0.75 19.1 mm |
0.75 19.1 mm |
0.75 19.1 mm |
5,000 PSI 34.5 MPa |
| 9S6F4-O6 |
9/16-18 UNF-2A |
9/16-18 UNF-2A |
2.50 63.5 mm |
1.65 41.9 mm |
1.57 39.9 mm |
1.11 28.2 mm |
1.18 30.0 mm |
1.00 25.4 mm |
0.87 22.1 mm |
0.92 23.4 mm |
5,000 PSI 34.5 MPa |
| 9S6F6-O4 |
11/16-16 UN-2A |
7/16-20 UNF-2A |
2.50 63.5 mm |
1.65 41.9 mm |
1.62 41.1 mm |
1.16 29.5 mm |
1.22 31.0 mm |
1.00 25.4 mm |
0.87 22.1 mm |
0.92 23.4 mm |
5,000 PSI 34.5 MPa |
| 9S6F6-O5 |
11/16-16 UN-2A |
1/2-20 UNF-2A |
2.50 63.5 mm |
1.65 41.9 mm |
1.62 41.1 mm |
1.16 29.5 mm |
1.22 31.0 mm |
1.00 25.4 mm |
0.87 22.1 mm |
0.92 23.4 mm |
5,000 PSI 34.5 MPa |
| 9S6F6-O6 |
11/16-16 UN-2A |
9/16-18 UNF-2A |
2.50 63.5 mm |
1.65 41.9 mm |
1.62 41.1 mm |
1.16 29.5 mm |
1.18 30.0 mm |
1.00 25.4 mm |
0.87 22.1 mm |
0.92 23.4 mm |
5,000 PSI 34.5 MPa |
| 9S6F6-O8 |
11/16-16 UN-2A |
3/4-16 UNF-2A |
2.50 63.5 mm |
1.65 41.9 mm |
1.62 41.1 mm |
1.16 29.5 mm |
1.10 27.9 mm |
1.00 25.4 mm |
0.87 22.1 mm |
0.92 23.4 mm |
5,000 PSI 34.5 MPa |
| 9S6F8-O4 |
13/16-16 UN-2A |
7/16-20 UNF-2A |
2.50 63.5 mm |
1.65 41.9 mm |
1.74 44.2 mm |
1.26 32.0 mm |
1.22 31.0 mm |
1.13 28.7 mm |
0.87 22.1 mm |
0.92 23.4 mm |
5,000 PSI 34.5 MPa |
| 9S6F8-O5 |
13/16-16 UN-2A |
1/2-20 UNF-2A |
2.50 63.5 mm |
1.65 41.9 mm |
1.74 44.2 mm |
1.26 32.0 mm |
1.22 31.0 mm |
1.13 28.7 mm |
0.87 22.1 mm |
0.92 23.4 mm |
5,000 PSI 34.5 MPa |
| 9S6F8-O6 |
13/16-16 UN-2A |
9/16-18 UNF-2A |
2.50 63.5 mm |
1.65 41.9 mm |
1.74 44.2 mm |
1.26 32.0 mm |
1.18 30.0 mm |
1.13 28.7 mm |
0.87 22.1 mm |
0.92 23.4 mm |
5,000 PSI 34.5 MPa |
| 9S6F8-O8 |
13/16-16 UN-2A |
3/4-16 UNF-2A |
2.50 63.5 mm |
1.65 41.9 mm |
1.74 44.2 mm |
1.26 32.0 mm |
1.10 27.9 mm |
1.13 28.7 mm |
0.87 22.1 mm |
0.92 23.4 mm |
5,000 PSI 34.5 MPa |
| 9S8F8-O8 |
13/16-16 UN-2A |
3/4-16 UNF-2A |
2.58 65.5 mm |
1.74 44.2 mm |
2.12 53.8 mm |
1.37 34.8 mm |
1.19 30.2 mm |
1.13 28.7 mm |
1.00 25.4 mm |
1.50 38.1 mm |
5,000 PSI 34.5 MPa |
| 9S8F8-O10 |
13/16-16 UN-2A |
7/8-14 UNF-2A |
2.82 71.6 mm |
1.98 50.3 mm |
2.12 53.8 mm |
1.37 34.8 mm |
1.35 34.3 mm |
1.13 28.7 mm |
1.00 25.4 mm |
1.50 38.1 mm |
5,000 PSI 34.5 MPa |
| 9S8F8-O12 |
13/16-16 UN-2A |
1 1/16-12 UN-2A |
3.00 76.2 mm |
2.16 54.9 mm |
2.12 53.8 mm |
1.37 34.8 mm |
1.44 36.6 mm |
1.13 28.7 mm |
1.25 31.8 mm |
1.50 38.1 mm |
5,000 PSI 34.5 MPa |
| 9S8F10-O8 |
1-14 UNS-2A |
3/4-16 UNF-2A |
2.58 65.5 mm |
1.74 44.2 mm |
2.28 57.9 mm |
1.53 38.9 mm |
1.19 30.2 mm |
1.13 28.7 mm |
1.00 25.4 mm |
1.50 38.1 mm |
5,000 PSI 34.5 MPa |
| 9S8F10-O10 |
1-14 UNS-2A |
7/8-14 UNF-2A |
2.82 71.6 mm |
1.98 50.3 mm |
2.28 57.9 mm |
1.53 38.9 mm |
1.35 34.3 mm |
1.13 28.7 mm |
1.00 25.4 mm |
1.50 38.1 mm |
5,000 PSI 34.5 MPa |
| 9S12F12-O12 |
1 3/16-12 UN-2A |
1 1/16-12 UN-2A |
3.37 85.6 mm |
2.33 59.2 mm |
2.83 71.9 mm |
1.88 47.8 mm |
1.62 41.1 mm |
1.38 35.1 mm |
1.25 31.8 mm |
1.90 48.3 mm |
5,000 PSI 34.5 MPa |
| 9S16F16-O16 |
1 7/16-12 UN-2A |
1 5/16-12 UN-2A |
3.62 91.9 mm |
2.48 63.0 mm |
3.12 79.2 mm |
2.05 52.1 mm |
1.78 45.2 mm |
1.63 41.4 mm |
1.62 41.1 mm |
2.13 54.1 mm |
4,000 PSI 27.6 MPa |
| 9S20F20-O20 |
1 11/16-12 UN-2A |
1 5/8-12 UN-2A |
4.08 103.6 mm |
2.75 69.9 mm |
3.57 90.7 mm |
2.20 55.9 mm |
2.04 51.8 mm |
2.00 50.8 mm |
2.00 50.8 mm |
2.75 69.9 mm |
4,000 PSI 27.6 MPa |
| 9S24F24-O24 |
2-12 UN-2A |
1 7/8-12 UN-2A |
4.91 124.7 mm |
3.14 79.8 mm |
4.33 110.0 mm |
2.58 65.5 mm |
2.42 61.5 mm |
2.37 60.2 mm |
2.37 60.2 mm |
3.50 88.9 mm |
4,000 PSI 27.6 MPa |
SWIVELS | 9S-90° SWIVEL | MALE O-RING FACE SEAL TO MALE PIPE
MALE O-RING FACE SEAL TO MALE PIPE
male-o-ring-face-seal-to-male-pipe

| Part Number |
T1 |
T2 |
A |
B |
C |
D |
H Hex |
J Hex(* = Round) |
K Dia. |
Max W.P. |
| 9S4F4-P4 |
9/16-18 UNF-2A |
1/4-18 NPTF |
2.24 56.9 mm |
1.52 38.6 mm |
1.44 36.6 mm |
1.06 26.9 mm |
0.75 19.1 mm |
0.75 19.1 mm |
0.75 19.1 mm |
5,000 PSI 34.5 MPa |
| 9S6F4-P6 |
9/16-18 UNF-2A |
3/8-18 NPTF |
2.50 63.5 mm |
1.65 41.9 mm |
1.57 39.9 mm |
1.11 28.2 mm |
1.00 25.4 mm |
0.87 22.1 mm |
0.92 23.4 mm |
5,000 PSI 34.5 MPa |
| 9S6F6-P4 |
11/16-16 UN-2A |
1/4-18 NPTF |
2.50 63.5 mm |
1.65 41.9 mm |
1.62 41.1 mm |
1.16 29.5 mm |
1.00 25.4 mm |
0.87 22.1 mm |
0.92 23.4 mm |
5,000 PSI 34.5 MPa |
| 9S6F6-P6 |
11/16-16 UN-2A |
3/8-18 NPTF |
2.50 63.5 mm |
1.65 41.9 mm |
1.62 41.1 mm |
1.16 29.5 mm |
1.00 25.4 mm |
0.87 22.1 mm |
0.92 23.4 mm |
5,000 PSI 34.5 MPa |
| 9S6F8-P4 |
13/16-16 UN-2A |
1/4-18 NPTF |
2.50 63.5 mm |
1.65 41.9 mm |
1.74 44.2 mm |
1.26 32.0 mm |
1.00 25.4 mm |
0.87 22.1 mm |
0.92 23.4 mm |
5,000 PSI 34.5 MPa |
| 9S6F8-P6 |
13/16-16 UN-2A |
3/8-18 NPTF |
2.50 63.5 mm |
1.65 41.9 mm |
1.74 44.2 mm |
1.26 32.0 mm |
1.13 28.7 mm |
0.87 22.1 mm |
0.92 23.4 mm |
5,000 PSI 34.5 MPa |
| 9S8F8-P8 |
13/16-16 UN-2A |
1/2-14 NPTF |
2.83 71.9 mm |
1.99 50.5 mm |
2.12 53.8 mm |
1.37 34.8 mm |
1.13 28.7 mm |
1.00 25.4 mm |
1.50 38.1 mm |
5,000 PSI 34.5 MPa |
| 9S8F10-P8 |
1-14 UNS-2A |
1/2-14 NPTF |
2.83 71.9 mm |
1.99 50.5 mm |
2.28 57.9 mm |
1.53 38.9 mm |
1.13 28.7 mm |
1.00 25.4 mm |
1.50 38.1 mm |
5,000 PSI 34.5 MPa |
| 9S12F12-P12 |
1 3/16-12 UN-2A |
3/4-14 NPTF |
3.40 86.4 mm |
2.37 60.2 mm |
2.83 71.9 mm |
1.88 47.8 mm |
1.38 35.1 mm |
1.25 31.8 mm |
1.90 48.3 mm |
5,000 PSI 34.5 MPa |
| 9S16F16-P16 |
1 7/16-12 UN-2A |
1-11 1/2 NPTF |
3.82 97.0 mm |
2.70 68.6 mm |
3.12 79.2 mm |
2.05 52.1 mm |
1.63 41.4 mm |
1.63 41.4 mm |
2.13 54.1 mm |
4,000 PSI 27.6 MPa |
| 9S20F20-P20 |
1 11/16-12 UN-2A |
1 1/4-11 1/2 NPTF |
4.18 106.2 mm |
2.85 72.4 mm |
3.57 90.7 mm |
2.20 55.9 mm |
2.00 50.8 mm |
2.00 50.8 mm |
2.75 69.9 mm |
4,000 PSI 27.6 MPa |
| 9S24F24-P24 |
2-12 UN-2A |
1 1/2-11 1/2 NPTF |
5.32 135.1 mm |
3.55 90.2 mm |
4.33 110.0 mm |
2.58 65.5 mm |
2.37 60.2 mm |
2.37 60.2 mm |
3.50 88.9 mm |
4,000 PSI 27.6 MPa |
SWIVELS | 9S-90° SWIVEL | MALE O-RING FACE SEAL TO FEMALE PIPE
MALE O-RING FACE SEAL TO FEMALE PIPE
male-o-ring-face-seal-to-female-pipe
| Part Number |
T1 |
T2 |
A |
B |
C |
D |
H Hex |
J Hex(* = Round) |
K Dia. |
Max W.P. |
| 9S4F4-PF4 |
9/16-18 UNF-2A |
1/4-18 NPTF |
2.24 56.9 mm |
1.52 38.6 mm |
1.44 36.6 mm |
1.06 26.9 mm |
0.75 19.1 mm |
0.75 19.1 mm |
0.75 19.1 mm |
5,000 PSI 34.5 MPa |
| 9S6F4-PF6 |
9/16-18 UNF-2A |
3/8-18 NPTF |
2.50 63.5 mm |
1.65 41.9 mm |
1.57 39.9 mm |
1.11 28.2 mm |
1.00 25.4 mm |
0.87 22.1 mm |
0.92 23.4 mm |
5,000 PSI 34.5 MPa |
| 9S6F6-PF4 |
11/16-16 UN-2A |
1/4-18 NPTF |
2.50 63.5 mm |
1.65 41.9 mm |
1.62 41.1 mm |
1.16 29.5 mm |
1.00 25.4 mm |
0.87 22.1 mm |
0.92 23.4 mm |
5,000 PSI 34.5 MPa |
| 9S6F6-PF6 |
11/16-16 UN-2A |
3/8-18 NPTF |
2.50 63.5 mm |
1.65 41.9 mm |
1.62 41.1 mm |
1.16 29.5 mm |
1.00 25.4 mm |
0.87 22.1 mm |
0.92 23.4 mm |
5,000 PSI 34.5 MPa |
| 9S6F8-PF4 |
13/16-16 UN-2A |
1/4-18 NPTF |
2.50 63.5 mm |
1.65 41.9 mm |
1.74 44.2 mm |
1.26 32.0 mm |
1.00 25.4 mm |
0.87 22.1 mm |
0.92 23.4 mm |
5,000 PSI 34.5 MPa |
| 9S6F8-PF6 |
13/16-16 UN-2A |
3/8-18 NPTF |
2.50 63.5 mm |
1.65 41.9 mm |
1.74 44.2 mm |
1.26 32.0 mm |
1.13 28.7 mm |
0.87 22.1 mm |
0.92 23.4 mm |
5,000 PSI 34.5 MPa |
| 9S8F8-PF8 |
13/16-16 UN-2A |
1/2-14 NPTF |
2.62 66.5 mm |
1.79 45.5 mm |
2.12 53.8 mm |
1.37 34.8 mm |
1.13 28.7 mm |
1.00 25.4 mm |
1.50 38.1 mm |
5,000 PSI 34.5 MPa |
| 9S8F10-PF8 |
1-14 UNS-2A |
1/2-14 NPTF |
2.62 66.5 mm |
1.79 45.5 mm |
2.28 57.9 mm |
1.53 38.9 mm |
1.13 28.7 mm |
1.00 25.4 mm |
1.50 38.1 mm |
5,000 PSI 34.5 MPa |
| 9S12F12-PF12 |
1 3/16-12 UN-2A |
3/4-14 NPTF |
3.00 76.2 mm |
1.97 50.0 mm |
2.83 71.9 mm |
1.88 47.8 mm |
1.38 35.1 mm |
1.25 31.8 mm |
1.90 48.3 mm |
5,000 PSI 34.5 MPa |
| 9S16F16-PF16 |
1 7/16-12 UN-2A |
1-11 1/2 NPTF |
3.40 86.4 mm |
2.22 56.4 mm |
3.12 79.2 mm |
2.05 52.1 mm |
1.63 41.4 mm |
1.62 41.1 mm |
2.13 54.1 mm |
4,000 PSI 27.6 MPa |
| 9S20F20-PF20 |
1 11/16-12 UN-2A |
1 1/4-11 1/2 NPTF |
4.18 106.2 mm |
2.86 72.6 mm |
3.57 90.7 mm |
2.20 55.9 mm |
2.00 50.8 mm |
2.00 50.8 mm |
2.75 69.9 mm |
4,000 PSI 27.6 MPa |
| 9S24F24-PF24 |
2-12 UN-2A |
1 1/2-11 1/2 NPTF |
4.89 124.2 mm |
3.12 79.2 mm |
4.33 110.0 mm |
2.58 65.5 mm |
2.37 60.2 mm |
2.37 60.2 mm |
3.50 88.9 mm |
4,000 PSI 27.6 MPa |
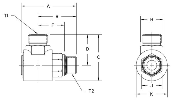
SWIVELS | 9S-90° SWIVEL | FEMALE O-RING FACE SEAL UNION TO MALE O-RING FACE SEAL
FEMALE O-RING FACE SEAL UNION TO MALE O-RING FACE SEAL
female-o-ring-face-seal-union-to-male-o-ring-face-seal

| Part Number |
T1 |
T2 |
A |
B |
C |
D |
F |
H Hex |
J Hex(* = Round) |
K Dia. |
L Hex |
Max W.P. |
| 9S4FU4-F4 |
9/16-18 UNF-2B |
9/16-18 UNF-2A |
2.12 53.8 mm |
1.40 35.6 mm |
1.57 39.9 mm |
1.20 30.5 mm |
0.88 22.4 mm |
0.75 19.1 mm |
0.75 19.1 mm |
0.75 19.1 mm |
0.75 19.1 mm |
5,000 PSI 34.5 MPa |
| 9S6FU6-F6 |
11/16-16 UN-2B |
11/16-16 UN-2A |
2.50 63.5 mm |
1.65 41.9 mm |
1.93 49.0 mm |
1.47 37.3 mm |
1.13 28.7 mm |
1.00 25.4 mm |
0.87 22.1 mm |
0.92 23.4 mm |
0.87 22.1 mm |
5,000 PSI 34.5 MPa |
| 9S6FU6-F8 |
11/16-16 UN-2B |
13/16-16 UN-2A |
2.50 63.5 mm |
1.65 41.9 mm |
1.93 49.0 mm |
1.47 37.3 mm |
1.13 28.7 mm |
1.00 25.4 mm |
0.87 22.1 mm |
0.92 23.4 mm |
0.87 22.1 mm |
5,000 PSI 34.5 MPa |
| 9S8FU8-F8 |
13/16-16 UN-2B |
13/16-16 UN-2A |
2.58 65.5 mm |
1.74 44.2 mm |
2.55 64.8 mm |
1.80 45.7 mm |
1.41 35.8 mm |
1.13 28.7 mm |
1.00 25.4 mm |
1.50 38.1 mm |
0.94 23.9 mm |
5,000 PSI 34.5 MPa |
| 9S8FU8-F10 |
13/16-16 UN-2B |
1-14 UNS-2A |
2.77 70.4 mm |
1.93 49.0 mm |
2.55 64.8 mm |
1.80 45.7 mm |
1.41 35.8 mm |
1.13 28.7 mm |
1.00 25.4 mm |
1.50 38.1 mm |
0.94 23.9 mm |
5,000 PSI 34.5 MPa |
| 9S8FU10-F8 |
1-14 UNS-2B |
13/16-16 UN-2A |
2.58 65.5 mm |
1.74 44.2 mm |
2.71 68.8 mm |
1.96 49.8 mm |
1.51 38.4 mm |
1.13 28.7 mm |
1.00 25.4 mm |
1.50 38.1 mm |
1.12 28.4 mm |
5,000 PSI 34.5 MPa |
| 9S8FU10-F10 |
1-14 UNS-2B |
1-14 UNS-2A |
2.77 70.4 mm |
1.93 49.0 mm |
2.71 68.8 mm |
1.96 49.8 mm |
1.51 38.4 mm |
1.13 28.7 mm |
1.00 25.4 mm |
1.50 38.1 mm |
1.12 28.4 mm |
5,000 PSI 34.5 MPa |
| 9S12FU12-F12 |
1 3/16-12 UN-2B |
1 3/16-12 UN-2A |
3.34 84.8 mm |
2.30 58.4 mm |
3.34 84.8 mm |
2.39 60.7 mm |
1.86 47.2 mm |
1.38 35.1 mm |
1.25 31.8 mm |
1.90 48.3 mm |
1.38 35.1 mm |
5,000 PSI 34.5 MPa |
| 9S16FU16-F16 |
1 7/16-12 UN-2B |
1 7/16-12 UN-2A |
3.76 95.5 mm |
2.62 66.5 mm |
3.66 93.0 mm |
2.60 66.0 mm |
2.06 52.3 mm |
1.63 41.4 mm |
1.63 41.4 mm |
2.13 54.1 mm |
1.63 41.4 mm |
4,000 PSI 27.6 MPa |
| 9S20FU20-F20 |
1 11/16-12 UN-2B |
1 11/16-12 UN-2A |
4.12 104.6 mm |
2.80 71.1 mm |
4.09 103.9 mm |
2.72 69.1 mm |
2.20 55.9 mm |
2.00 50.8 mm |
2.00 50.8 mm |
2.75 69.9 mm |
2.00 50.8 mm |
4,000 PSI 27.6 MPa |
| 9S24FU24-F24 |
2-12 UN-2B |
2-12 UN-2A |
5.26 133.6 mm |
3.49 88.6 mm |
4.93 125.2 mm |
3.18 80.8 mm |
2.59 65.8 mm |
2.37 60.2 mm |
2.37 60.2 mm |
3.50 88.9 mm |
2.25 57.2 mm |
4,000 PSI 27.6 MPa |
9S-90° SWIVEL | FEMALE O-RING FACE SEAL UNION TO FEMALE O-RING FACE SEAL
FEMALE O-RING FACE SEAL UNION TO FEMALE O-RING FACE SEAL
female-o-ring-face-seal-union-to-female-o-ring-face-seal

| Part Number |
T1 |
T2 |
A |
B |
C |
D |
F |
G |
H Hex |
J Hex(* = Round) |
K Dia. |
L Hex |
Max W.P. |
| 9S4FU4-FF4 |
9/16-18 UNF-2B |
9/16-18 UNF-2B |
1.87 47.5 mm |
1.15 29.2 mm |
1.57 39.9 mm |
1.20 30.5 mm |
0.88 22.4 mm |
0.83 21.1 mm |
0.75 19.1 mm |
0.75 19.1 mm |
0.75 19.1 mm |
0.75 19.1 mm |
5,000 PSI 34.5 MPa |
| 9S6FU6-FF6 |
11/16-16 UN-2B |
11/16-16 UN-2B |
2.22 56.4 mm |
1.37 34.8 mm |
1.93 49.0 mm |
1.47 37.3 mm |
1.13 28.7 mm |
1.00 25.4 mm |
1.00 25.4 mm |
0.87 22.1 mm |
0.92 23.4 mm |
0.87 22.1 mm |
5,000 PSI 34.5 MPa |
| 9S6FU6-FF8 |
11/16-16 UN-2B |
13/16-16 UN-2B |
2.38 60.5 mm |
1.53 38.9 mm |
1.93 49.0 mm |
1.47 37.3 mm |
1.13 28.7 mm |
1.10 27.9 mm |
1.00 25.4 mm |
0.87 22.1 mm |
0.92 23.4 mm |
0.87 22.1 mm |
5,000 PSI 34.5 MPa |
| 9S8FU8-FF8 |
13/16-16 UN-2B |
13/16-16 UN-2B |
2.36 59.9 mm |
1.52 38.6 mm |
2.55 64.8 mm |
1.80 45.7 mm |
1.41 35.8 mm |
1.08 27.4 mm |
1.13 28.7 mm |
1.00 25.4 mm |
1.50 38.1 mm |
0.94 23.9 mm |
5,000 PSI 34.5 MPa |
| 9S8FU8-FF10 |
13/16-16 UN-2B |
1-14 UNS-2B |
2.46 62.5 mm |
1.62 41.1 mm |
2.55 64.8 mm |
1.80 45.7 mm |
1.41 35.8 mm |
1.09 27.7 mm |
1.13 28.7 mm |
1.00 25.4 mm |
1.50 38.1 mm |
0.94 23.9 mm |
5,000 PSI 34.5 MPa |
| 9S8FU10-FF8 |
1-14 UNS-2B |
13/16-16 UN-2B |
2.36 59.9 mm |
1.52 38.6 mm |
2.71 68.8 mm |
1.96 49.8 mm |
1.51 38.4 mm |
1.08 27.4 mm |
1.13 28.7 mm |
1.00 25.4 mm |
1.50 38.1 mm |
1.12 28.4 mm |
5,000 PSI 34.5 MPa |
| 9S8FU10-FF10 |
1-14 UNS-2B |
1-14 UNS-2B |
2.46 62.5 mm |
1.62 41.1 mm |
2.71 68.8 mm |
1.96 49.8 mm |
1.51 38.4 mm |
1.09 27.7 mm |
1.13 28.7 mm |
1.00 25.4 mm |
1.50 38.1 mm |
1.12 28.4 mm |
5,000 PSI 34.5 MPa |
| 9S12FU12-FF12 |
1 3/16-12 UN-2B |
1 3/16-12 UN-2B |
2.92 74.2 mm |
1.88 47.8 mm |
3.34 84.8 mm |
2.39 60.7 mm |
1.86 47.2 mm |
1.31 33.3 mm |
1.38 35.1 mm |
1.25 31.8 mm |
1.90 48.3 mm |
1.38 35.1 mm |
5,000 PSI 34.5 MPa |
| 9S16FU16-FF16 |
1 7/16-12 UN-2B |
1 7/16-12 UN-2B |
3.21 81.5 mm |
2.09 53.1 mm |
3.66 93.0 mm |
2.60 66.0 mm |
2.06 52.3 mm |
1.48 37.6 mm |
1.63 41.4 mm |
1.63 41.4 mm |
2.13 54.1 mm |
1.63 41.4 mm |
4,000 PSI 27.6 MPa |
| 9S20FU20-FF20 |
1 11/16-12 UN-2B |
1 11/16-12 UN-2B |
3.55 90.2 mm |
2.10 53.3 mm |
4.09 103.9 mm |
2.72 69.1 mm |
2.20 55.9 mm |
1.65 41.9 mm |
2.00 50.8 mm |
2.00 50.8 mm |
2.75 69.9 mm |
2.00 50.8 mm |
4,000 PSI 27.6 MPa |
| 9S24FU24-FF24 |
2-12 UN-2B |
2-12 UN-2B |
4.43 112.5 mm |
2.66 67.6 mm |
4.93 125.2 mm |
3.18 80.8 mm |
2.59 65.8 mm |
2.08 52.8 mm |
2.37 60.2 mm |
2.37 60.2 mm |
3.50 88.9 mm |
2.25 57.2 mm |
4,000 PSI 27.6 MPa |
SWIVELS | 9S-90° SWIVEL | FEMALE O-RING FACE SEAL UNION TO MALE JIC
FEMALE O-RING FACE SEAL UNION TO MALE JIC
female-o-ring-face-seal-union-to-male-jic

| Part Number |
T1 |
T2 |
A |
B |
C |
D |
F |
H Hex |
J Hex(* = Round) |
K Dia. |
L Hex |
Max W.P. |
| 9S4FU4-J4 |
9/16-18 UNF-2B |
7/16-20 UNF-2A |
2.24 56.9 mm |
1.42 36.1 mm |
1.57 39.9 mm |
1.20 30.5 mm |
0.88 22.4 mm |
0.75 19.1 mm |
0.75 19.1 mm |
0.75 19.1 mm |
0.75 19.1 mm |
5,000 PSI 34.5 MPa |
| 9S4FU4-J5 |
9/16-18 UNF-2B |
1/2-20 UNF-2A |
2.24 56.9 mm |
1.52 38.6 mm |
1.57 39.9 mm |
1.20 30.5 mm |
0.88 22.4 mm |
0.75 19.1 mm |
0.75 19.1 mm |
0.75 19.1 mm |
0.75 19.1 mm |
5,000 PSI 34.5 MPa |
| 9S6FU6-J5 |
11/16-16 UN-2B |
1/2-20 UNF-2A |
2.50 63.5 mm |
1.65 41.9 mm |
1.93 49.0 mm |
1.47 37.3 mm |
1.13 28.7 mm |
1.00 25.4 mm |
0.87 22.1 mm |
0.92 23.4 mm |
0.87 22.1 mm |
5,000 PSI 34.5 MPa |
| 9S6FU6-J6 |
11/16-16 UN-2B |
9/16-18 UNF-2A |
2.50 63.5 mm |
1.65 41.9 mm |
1.93 49.0 mm |
1.47 37.3 mm |
1.13 28.7 mm |
1.00 25.4 mm |
0.87 22.1 mm |
0.92 23.4 mm |
0.87 22.1 mm |
5,000 PSI 34.5 MPa |
| 9S6FU6-J8 |
11/16-16 UN-2B |
3/4-16 UNF-2A |
2.50 63.5 mm |
1.65 41.9 mm |
1.93 49.0 mm |
1.47 37.3 mm |
1.13 28.7 mm |
1.00 25.4 mm |
0.87 22.1 mm |
0.92 23.4 mm |
0.87 22.1 mm |
5,000 PSI 34.5 MPa |
| 9S8FU8-J8 |
13/16-16 UN-2B |
3/4-16 UNF-2A |
2.83 71.9 mm |
1.99 50.5 mm |
2.55 64.8 mm |
1.80 45.7 mm |
1.41 35.8 mm |
1.13 28.7 mm |
1.00 25.4 mm |
1.50 38.1 mm |
1.00 25.4 mm |
5,000 PSI 34.5 MPa |
| 9S8FU8-J10 |
13/16-16 UN-2B |
7/8-14 UNF-2A |
2.83 71.9 mm |
1.99 50.5 mm |
2.55 64.8 mm |
1.80 45.7 mm |
1.41 35.8 mm |
1.13 28.7 mm |
1.00 25.4 mm |
1.50 38.1 mm |
1.00 25.4 mm |
5,000 PSI 34.5 MPa |
| 9S8FU10-J8 |
1-14 UNS-2B |
3/4-16 UNF-2A |
2.83 71.9 mm |
1.99 50.5 mm |
2.71 68.8 mm |
1.96 49.8 mm |
1.51 38.4 mm |
1.13 28.7 mm |
1.00 25.4 mm |
1.50 38.1 mm |
1.12 28.4 mm |
5,000 PSI 34.5 MPa |
| 9S8FU10-J10 |
1-14 UNS-2B |
7/8-14 UNF-2A |
2.83 71.9 mm |
1.99 50.5 mm |
2.71 68.8 mm |
1.96 49.8 mm |
1.51 38.4 mm |
1.13 28.7 mm |
1.00 25.4 mm |
1.50 38.1 mm |
1.12 28.4 mm |
5,000 PSI 34.5 MPa |
| 9S12FU12-J12 |
1 3/16-12 UN-2B |
1 1/16-12 UN-2A |
3.40 86.4 mm |
2.36 59.9 mm |
3.34 84.8 mm |
2.39 60.7 mm |
1.86 47.2 mm |
1.38 35.1 mm |
1.25 31.8 mm |
1.90 48.3 mm |
1.38 35.1 mm |
5,000 PSI 34.5 MPa |
| 9S16FU16-J16 |
1 7/16-12 UN-2B |
1 5/16-12 UN-2A |
3.82 97.0 mm |
2.68 68.1 mm |
3.66 93.0 mm |
2.60 66.0 mm |
2.06 52.3 mm |
1.63 41.4 mm |
1.63 41.4 mm |
2.13 54.1 mm |
1.63 41.4 mm |
4,000 PSI 27.6 MPa |
| 9S20FU20-J20 |
1 11/16-12 UN-2B |
1 5/8-12 UN-2A |
4.12 104.6 mm |
2.80 71.1 mm |
4.09 103.9 mm |
2.72 69.1 mm |
2.20 55.9 mm |
2.00 50.8 mm |
2.00 50.8 mm |
2.75 69.9 mm |
2.00 50.8 mm |
4,000 PSI 27.6 MPa |
| 9S24FU24-J24 |
2-12 UN-2B |
1 7/8-12 UN-2A |
5.27 133.9 mm |
3.50 88.9 mm |
4.93 125.2 mm |
3.18 80.8 mm |
2.59 65.8 mm |
2.37 60.2 mm |
2.37 60.2 mm |
3.50 88.9 mm |
2.25 57.2 mm |
4,000 PSI 27.6 MPa |
SWIVELS | 9S-90° SWIVEL | FEMALE O-RING FACE SEAL UNION TO MALE SAE O-RING BOSS
FEMALE O-RING FACE SEAL UNION TO MALE SAE O-RING BOSS
female-o-ring-face-seal-union-to-male-sae-o-ring-boss

| Part Number |
T1 |
T2 |
A |
B |
C |
D |
F |
G |
H Hex |
J Hex(* = Round) |
K Dia. |
L Hex |
Max W.P. |
| 9S4FU4-O4 |
9/16-18 UNF-2B |
7/16-20 UNF-2B |
2.20 55.9 mm |
1.48 37.6 mm |
1.57 39.9 mm |
1.20 30.5 mm |
0.88 22.4 mm |
1.05 26.7 mm |
0.75 19.1 mm |
0.75 19.1 mm |
0.75 19.1 mm |
0.75 19.1 mm |
5,000 PSI 34.5 MPa |
| 9S4FU4-O5 |
9/16-18 UNF-2B |
1/2-20 UNF-2B |
2.20 55.9 mm |
1.48 37.6 mm |
1.57 39.9 mm |
1.20 30.5 mm |
0.88 22.4 mm |
1.05 26.7 mm |
0.75 19.1 mm |
0.75 19.1 mm |
0.75 19.1 mm |
0.75 19.1 mm |
5,000 PSI 34.5 MPa |
| 9S6FU6-O4 |
11/16-16 UN-2B |
7/16-20 UNF-2B |
2.50 63.5 mm |
1.65 41.9 mm |
1.93 49.0 mm |
1.47 37.3 mm |
1.13 28.7 mm |
1.22 31.0 mm |
1.00 25.4 mm |
0.87 22.1 mm |
0.92 23.4 mm |
0.87 22.1 mm |
5,000 PSI 34.5 MPa |
| 9S6FU6-O5 |
11/16-16 UN-2B |
1/2-20 UNF-2B |
2.50 63.5 mm |
1.65 41.9 mm |
1.93 49.0 mm |
1.47 37.3 mm |
1.13 28.7 mm |
1.22 31.0 mm |
1.00 25.4 mm |
0.87 22.1 mm |
0.92 23.4 mm |
0.87 22.1 mm |
5,000 PSI 34.5 MPa |
| 9S6FU6-O6 |
11/16-16 UN-2B |
9/16-18 UNF-2B |
2.50 63.5 mm |
1.65 41.9 mm |
1.93 49.0 mm |
1.47 37.3 mm |
1.13 28.7 mm |
1.18 30.0 mm |
1.00 25.4 mm |
0.87 22.1 mm |
0.92 23.4 mm |
0.87 22.1 mm |
5,000 PSI 34.5 MPa |
| 9S6FU6-O8 |
11/16-16 UN-2B |
3/4-16 UNF-2B |
2.50 63.5 mm |
1.65 41.9 mm |
1.93 49.0 mm |
1.47 37.3 mm |
1.13 28.7 mm |
1.10 27.9 mm |
1.00 25.4 mm |
0.87 22.1 mm |
0.92 23.4 mm |
0.87 22.1 mm |
5,000 PSI 34.5 MPa |
| 9S8FU8-O8 |
13/16-16 UN-2B |
3/4-16 UNF-2B |
2.58 65.5 mm |
1.74 44.2 mm |
2.55 64.8 mm |
1.80 45.7 mm |
1.41 35.8 mm |
1.19 30.2 mm |
1.13 28.7 mm |
1.00 25.4 mm |
1.50 38.1 mm |
1.00 25.4 mm |
5,000 PSI 34.5 MPa |
| 9S8FU8-O10 |
13/16-16 UN-2B |
7/8-14 UNF-2B |
2.82 71.6 mm |
1.98 50.3 mm |
2.55 64.8 mm |
1.80 45.7 mm |
1.41 35.8 mm |
1.35 34.3 mm |
1.13 28.7 mm |
1.00 25.4 mm |
1.50 38.1 mm |
1.00 25.4 mm |
5,000 PSI 34.5 MPa |
| 9S8FU10-O8 |
1-14 UNS-2B |
3/4-16 UNF-2B |
2.58 65.5 mm |
1.74 44.2 mm |
2.71 68.8 mm |
1.96 49.8 mm |
1.51 38.4 mm |
1.19 30.2 mm |
1.13 28.7 mm |
1.00 25.4 mm |
1.50 38.1 mm |
1.12 28.4 mm |
5,000 PSI 34.5 MPa |
| 9S8FU10-O10 |
1-14 UNS-2B |
7/8-14 UNF-2B |
2.82 71.6 mm |
1.98 50.3 mm |
2.71 68.8 mm |
1.96 49.8 mm |
1.51 38.4 mm |
1.35 34.3 mm |
1.13 28.7 mm |
1.00 25.4 mm |
1.50 38.1 mm |
1.12 28.4 mm |
5,000 PSI 34.5 MPa |
| 9S12FU12-O12 |
1 3/16-12 UN-2B |
1 1/16-12 UN-2B |
3.37 85.6 mm |
2.33 59.2 mm |
3.34 84.8 mm |
2.39 60.7 mm |
1.86 47.2 mm |
1.62 41.1 mm |
1.38 35.1 mm |
1.25 31.8 mm |
1.90 48.3 mm |
1.38 35.1 mm |
5,000 PSI 34.5 MPa |
| 9S16FU16-O16 |
1 7/16-12 UN-2B |
1 5/16-12 UN-2B |
3.62 91.9 mm |
2.48 63.0 mm |
3.66 93.0 mm |
2.60 66.0 mm |
2.06 52.3 mm |
1.78 45.2 mm |
1.63 41.4 mm |
1.63 41.4 mm |
2.13 54.1 mm |
1.63 41.4 mm |
4,000 PSI 27.6 MPa |
| 9S20FU20-O20 |
1 11/16-12 UN-2B |
1 5/8-12 UN-2B |
4.08 103.6 mm |
2.75 69.9 mm |
4.09 103.9 mm |
2.72 69.1 mm |
2.20 55.9 mm |
2.04 51.8 mm |
2.00 50.8 mm |
2.00 50.8 mm |
2.75 69.9 mm |
2.00 50.8 mm |
4,000 PSI 27.6 MPa |
| 9S24FU24-O24 |
2-12 UN-2B |
1 7/8-12 UN-2B |
4.91 124.7 mm |
3.14 79.8 mm |
4.93 125.2 mm |
3.18 80.8 mm |
2.59 65.8 mm |
2.42 61.5 mm |
2.37 60.2 mm |
2.37 60.2 mm |
3.50 88.9 mm |
2.25 57.2 mm |
4,000 PSI 27.6 MPa |
SWIVELS | 9S-90° SWIVEL | FEMALE O-RING FACE SEAL UNION TO MALE PIPE
FEMALE O-RING FACE SEAL UNION TO MALE PIPE
female-o-ring-face-seal-union-to-male-pipe

| Part Number |
T1 |
T2 |
A |
B |
C |
D |
F |
H Hex |
J Hex(* = Round) |
K Dia. |
L Hex |
Max W.P. |
| 9S4FU4-P4 |
9/16-18 UNF-2B |
1/4-18 NPTF |
2.24 56.9 mm |
1.52 38.6 mm |
1.57 39.9 mm |
1.20 30.5 mm |
0.88 22.4 mm |
0.75 19.1 mm |
0.75 19.1 mm |
0.75 19.1 mm |
0.75 19.1 mm |
5,000 PSI 34.5 MPa |
| 9S6FU6-P4 |
11/16-16 UN-2B |
1/4-18 NPTF |
2.50 63.5 mm |
1.65 41.9 mm |
1.93 49.0 mm |
1.47 37.3 mm |
1.13 28.7 mm |
1.00 25.4 mm |
0.87 22.1 mm |
0.92 23.4 mm |
0.87 22.1 mm |
5,000 PSI 34.5 MPa |
| 9S6FU6-P6 |
11/16-16 UN-2B |
3/8-18 NPTF |
2.50 63.5 mm |
1.65 41.9 mm |
1.93 49.0 mm |
1.47 37.3 mm |
1.13 28.7 mm |
1.00 25.4 mm |
0.87 22.1 mm |
0.92 23.4 mm |
0.87 22.1 mm |
5,000 PSI 34.5 MPa |
| 9S8FU8-P8 |
13/16-16 UN-2B |
1/2-14 NPTF |
2.83 71.9 mm |
1.99 50.5 mm |
2.55 64.8 mm |
1.80 45.7 mm |
1.41 35.8 mm |
1.13 28.7 mm |
1.00 25.4 mm |
1.50 38.1 mm |
0.94 23.9 mm |
5,000 PSI 34.5 MPa |
| 9S8FU10-P8 |
1-14 UNS-2B |
1/2-14 NPTF |
2.83 71.9 mm |
1.99 50.5 mm |
2.71 68.8 mm |
1.96 49.8 mm |
1.51 38.4 mm |
1.13 28.7 mm |
1.00 25.4 mm |
1.50 38.1 mm |
1.12 28.4 mm |
5,000 PSI 34.5 MPa |
| 9S12FU12-P12 |
1 3/16-12 UN-2B |
3/4-14 NPTF |
3.40 86.4 mm |
2.37 60.2 mm |
3.34 84.8 mm |
2.39 60.7 mm |
1.86 47.2 mm |
1.38 35.1 mm |
1.25 31.8 mm |
1.90 48.3 mm |
1.38 35.1 mm |
5,000 PSI 34.5 MPa |
| 9S16FU16-P16 |
1 7/16-12 UN-2B |
1-11 1/2 NPTF |
3.82 97.0 mm |
2.70 68.6 mm |
3.66 93.0 mm |
2.60 66.0 mm |
2.06 52.3 mm |
1.63 41.4 mm |
1.63 41.4 mm |
2.13 54.1 mm |
1.63 41.4 mm |
4,000 PSI 27.6 MPa |
| 9S20FU20-P20 |
1 11/16-12 UN-2B |
1 1/4-11 1/2 NPTF |
4.18 106.2 mm |
2.86 72.6 mm |
4.09 103.9 mm |
2.72 69.1 mm |
2.20 55.9 mm |
2.00 50.8 mm |
2.00 50.8 mm |
2.75 69.9 mm |
2.00 50.8 mm |
4,000 PSI 27.6 MPa |
| 9S24FU24-P24 |
2-12 UN-2B |
1 1/2-11 1/2 NPTF |
5.32 135.1 mm |
3.55 90.2 mm |
4.93 125.2 mm |
3.18 80.8 mm |
2.59 65.8 mm |
2.37 60.2 mm |
2.37 60.2 mm |
3.50 88.9 mm |
2.25 57.2 mm |
4,000 PSI 27.6 MPa |
SWIVELS | 9S-90° SWIVEL | FEMALE O-RING FACE SEAL UNION TO FEMALE PIPE
FEMALE O-RING FACE SEAL UNION TO FEMALE PIPE
female-o-ring-face-seal-union-to-female-pipe

Part Number |
T1 |
T2 |
A |
B |
C |
D |
F |
H Hex |
J Hex(* = Round) |
K Dia. |
L Hex |
Max W.P. |
9S4FU4-PF4 |
9/16-18 UNF-2B |
1/4-18 NPTF |
2.24 56.9 mm |
1.52 38.6 mm |
1.57 39.9 mm |
1.20 30.5 mm |
0.88 22.4 mm |
0.75 19.1 mm |
0.75 19.1 mm |
0.75 19.1 mm |
0.75 19.1 mm |
5,000 PSI 34.5 MPa |
9S6FU6-PF4 |
11/16-16 UN-2B |
1/4-18 NPTF |
2.50 63.5 mm |
1.65 41.9 mm |
1.93 49.0 mm |
1.47 37.3 mm |
1.13 28.7 mm |
1.00 25.4 mm |
0.87 22.1 mm |
0.92 23.4 mm |
0.87 22.1 mm |
5,000 PSI 34.5 MPa |
9S6FU6-PF6 |
11/16-16 UN-2B |
3/8-18 NPTF |
2.50 63.5 mm |
1.65 41.9 mm |
1.93 49.0 mm |
1.47 37.3 mm |
1.13 28.7 mm |
1.00 25.4 mm |
0.87 22.1 mm |
0.92 23.4 mm |
0.87 22.1 mm |
5,000 PSI 34.5 MPa |
9S8FU8-PF8 |
13/16-16 UN-2B |
1/2-14 NPTF |
2.62 66.5 mm |
1.79 45.5 mm |
2.55 64.8 mm |
1.80 45.7 mm |
1.41 35.8 mm |
1.13 28.7 mm |
1.00 25.4 mm |
1.50 38.1 mm |
0.94 23.9 mm |
5,000 PSI 34.5 MPa |
9S8FU10-PF8 |
1-14 UNS-2B |
1/2-14 NPTF |
2.62 66.5 mm |
1.79 45.5 mm |
2.71 68.8 mm |
1.96 49.8 mm |
1.51 38.4 mm |
1.13 28.7 mm |
1.00 25.4 mm |
1.50 38.1 mm |
1.12 28.4 mm |
5,000 PSI 34.5 MPa |
9S12FU12-PF12 |
1 3/16-12 UN-2B |
3/4-14 NPTF |
3.00 76.2 mm |
1.97 50.0 mm |
3.34 84.8 mm |
2.39 60.7 mm |
1.86 47.2 mm |
1.38 35.1 mm |
1.25 31.8 mm |
1.90 48.3 mm |
1.38 35.1 mm |
5,000 PSI 34.5 MPa |
9S16FU16-PF16 |
1 7/16-12 UN-2B |
1-11 1/2 NPTF |
3.40 86.4 mm |
2.22 56.4 mm |
3.66 93.0 mm |
2.60 66.0 mm |
2.06 52.3 mm |
1.63 41.4 mm |
1.63 41.4 mm |
2.13 54.1 mm |
1.63 41.4 mm |
4,000 PSI 27.6 MPa |
9S20FU20-PF20 |
1 11/16-12 UN-2B |
1 1/4-11 1/2 NPTF |
4.18 106.2 mm |
2.86 72.6 mm |
4.09 103.9 mm |
2.72 69.1 mm |
2.20 55.9 mm |
2.00 50.8 mm |
2.00 50.8 mm |
2.75 69.9 mm |
2.00 50.8 mm |
4,000 PSI 27.6 MPa |
9S24FU24-PF24 |
2-12 UN-2B |
1 1/2-11 1/2 NPTF |
4.89 124.2 mm |
3.12 79.2 mm |
4.93 125.2 mm |
3.18 80.8 mm |
2.59 65.8 mm |
2.37 60.2 mm |
2.37 60.2 mm |
3.50 88.9 mm |
2.25 57.2 mm |
4,000 PSI 27.6 MPa |
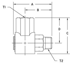
SWIVELS | 9S-90° SWIVEL | MALE JIC TO MALE O-RING FACE SEAL
MALE JIC TO MALE O-RING FACE SEAL
male-jic-to-male-o-ring-face-seal

| Part Number |
T1 |
T2 |
A |
B |
C |
D |
H Hex |
J Hex(* = Round) |
K Dia. |
Max W.P. |
| 9S4J4-F4 |
7/16-20 UNF-2A |
9/16-18 UNF-2A |
2.12 53.8 mm |
1.40 35.6 mm |
1.43 36.3 mm |
1.05 26.7 mm |
0.75 19.1 mm |
0.75 19.1 mm |
0.75 19.1 mm |
5,000 PSI 34.5 MPa |
| 9S4J5-F4 |
1/2-20 UNF-2A |
9/16-18 UNF-2A |
2.12 53.8 mm |
1.40 35.6 mm |
1.43 36.3 mm |
1.05 26.7 mm |
0.75 19.1 mm |
0.75 19.1 mm |
0.75 19.1 mm |
5,000 PSI 34.5 MPa |
| 9S6J5-F6 |
1/2-20 UNF-2A |
11/16-16 UN-2A |
2.50 63.5 mm |
1.65 41.9 mm |
1.64 41.7 mm |
1.18 30.0 mm |
1.00 25.4 mm |
0.87 22.1 mm |
0.92 23.4 mm |
5,000 PSI 34.5 MPa |
| 9S6J5-F8 |
1/2-20 UNF-2A |
13/16-16 UN-2A |
2.50 63.5 mm |
1.65 41.9 mm |
1.64 41.7 mm |
1.18 30.0 mm |
1.00 25.4 mm |
1.00 25.4 mm |
0.92 23.4 mm |
5,000 PSI 34.5 MPa |
| 9S6J6-F6 |
9/16-18 UNF-2A |
11/16-16 UN-2A |
2.50 63.5 mm |
1.65 41.9 mm |
1.64 41.7 mm |
1.18 30.0 mm |
1.00 25.4 mm |
0.87 22.1 mm |
0.92 23.4 mm |
5,000 PSI 34.5 MPa |
| 9S6J6-F8 |
9/16-18 UNF-2A |
13/16-16 UN-2A |
2.50 63.5 mm |
1.65 41.9 mm |
1.64 41.7 mm |
1.18 30.0 mm |
1.00 25.4 mm |
1.00 25.4 mm |
0.92 23.4 mm |
5,000 PSI 34.5 MPa |
| 9S6J8-F6 |
3/4-16 UNF-2A |
11/16-16 UN-2A |
2.50 63.5 mm |
1.65 41.9 mm |
1.95 49.5 mm |
1.49 37.8 mm |
1.00 25.4 mm |
0.87 22.1 mm |
0.92 23.4 mm |
5,000 PSI 34.5 MPa |
| 9S6J8-F8 |
3/4-16 UNF-2A |
13/16-16 UN-2A |
2.50 63.5 mm |
1.65 41.9 mm |
1.95 49.5 mm |
1.49 37.8 mm |
1.00 25.4 mm |
1.00 25.4 mm |
0.92 23.4 mm |
5,000 PSI 34.5 MPa |
| 9S8J8-F8 |
3/4-16 UNF-2A |
13/16-16 UN-2A |
2.58 65.5 mm |
1.74 44.2 mm |
2.19 55.6 mm |
1.45 36.8 mm |
1.13 28.7 mm |
1.00 25.4 mm |
1.50 38.1 mm |
5,000 PSI 34.5 MPa |
| 9S8J8-F10 |
3/4-16 UNF-2A |
1-14 UNS-2A |
2.77 70.4 mm |
1.93 49.0 mm |
2.19 55.6 mm |
1.45 36.8 mm |
1.13 28.7 mm |
1.00 25.4 mm |
1.50 38.1 mm |
5,000 PSI 34.5 MPa |
| 9S8J10-F8 |
7/8-14 UNF-2A |
13/16-16 UN-2A |
2.58 65.5 mm |
1.74 44.2 mm |
2.29 58.2 mm |
1.54 39.1 mm |
1.13 28.7 mm |
1.00 25.4 mm |
1.50 38.1 mm |
5,000 PSI 34.5 MPa |
| 9S8J10-F10 |
7/8-14 UNF-2A |
1-14 UNS-2A |
2.77 70.4 mm |
1.93 49.0 mm |
2.29 58.2 mm |
1.54 39.1 mm |
1.13 28.7 mm |
1.00 25.4 mm |
1.50 38.1 mm |
5,000 PSI 34.5 MPa |
| 9S12J12-F12 |
1 1/16-12 UN-2A |
1 3/16-12 UN-2A |
3.34 84.8 mm |
2.30 58.4 mm |
2.92 74.2 mm |
1.97 50.0 mm |
1.38 35.1 mm |
1.25 31.8 mm |
1.90 48.3 mm |
5,000 PSI 34.5 MPa |
| 9S16J16-F16 |
1 5/16-12 UN-2A |
1 7/16-12 UN-2A |
3.76 95.5 mm |
2.62 66.5 mm |
3.23 82.0 mm |
2.17 55.1 mm |
1.63 41.4 mm |
1.63 41.4 mm |
2.13 54.1 mm |
4,000 PSI 27.6 MPa |
| 9S20J20-F20 |
1 5/8-12 UN-2A |
1 11/16-12 UN-2A |
4.12 104.6 mm |
2.80 71.1 mm |
3.90 99.1 mm |
2.52 64.0 mm |
2.00 50.8 mm |
2.00 50.8 mm |
2.75 69.9 mm |
4,000 PSI 27.6 MPa |
| 9S24J24-F24 |
1 7/8-12 UN-2A |
2-12 UN-2A |
5.26 133.6 mm |
3.49 88.6 mm |
4.76 120.9 mm |
3.01 76.5 mm |
2.37 60.2 mm |
2.37 60.2 mm |
3.50 88.9 mm |
4,000 PSI 27.6 MPa |
SWIVELS | 9S-90° SWIVEL | MALE JIC TO FEMALE O-RING FACE SEAL
MALE JIC TO FEMALE O-RING FACE SEAL
male-jic-to-female-o-ring-face-seal

| Part Number |
T1 |
T2 |
A |
B |
C |
D |
F |
H Hex |
J Hex(* = Round) |
K Dia. |
Max W.P. |
| 9S4J4-FF4 |
7/16-20 UNF-2A |
9/16-18 UNF-2B |
1.87 47.5 mm |
1.15 29.2 mm |
1.43 36.3 mm |
1.05 26.7 mm |
0.83 21.1 mm |
0.75 19.1 mm |
0.75 19.1 mm |
0.75 19.1 mm |
5,000 PSI 34.5 MPa |
| 9S4J5-FF4 |
1/2-20 UNF-2A |
9/16-18 UNF-2B |
1.87 47.5 mm |
1.15 29.2 mm |
1.43 36.3 mm |
1.05 26.7 mm |
0.83 21.1 mm |
0.75 19.1 mm |
0.75 19.1 mm |
0.75 19.1 mm |
5,000 PSI 34.5 MPa |
| 9S6J5-FF6 |
1/2-20 UNF-2A |
11/16-16 UN-2B |
2.22 56.4 mm |
1.37 34.8 mm |
1.64 41.7 mm |
1.18 30.0 mm |
1.00 25.4 mm |
1.00 25.4 mm |
0.87 22.1 mm |
0.92 23.4 mm |
5,000 PSI 34.5 MPa |
| 9S6J5-FF8 |
1/2-20 UNF-2A |
13/16-16 UN-2B |
2.38 60.5 mm |
1.53 38.9 mm |
1.64 41.7 mm |
1.18 30.0 mm |
1.10 27.9 mm |
1.00 25.4 mm |
1.00 25.4 mm |
0.92 23.4 mm |
5,000 PSI 34.5 MPa |
| 9S6J6-FF6 |
9/16-18 UNF-2A |
11/16-16 UN-2B |
2.22 56.4 mm |
1.37 34.8 mm |
1.64 41.7 mm |
1.18 30.0 mm |
1.00 25.4 mm |
1.00 25.4 mm |
0.87 22.1 mm |
0.92 23.4 mm |
5,000 PSI 34.5 MPa |
| 9S6J6-FF8 |
9/16-18 UNF-2A |
13/16-16 UN-2B |
2.38 60.5 mm |
1.53 38.9 mm |
1.64 41.7 mm |
1.18 30.0 mm |
1.10 27.9 mm |
1.00 25.4 mm |
1.00 25.4 mm |
0.92 23.4 mm |
5,000 PSI 34.5 MPa |
| 9S6J8-FF6 |
3/4-16 UNF-2A |
11/16-16 UN-2B |
2.22 56.4 mm |
1.37 34.8 mm |
1.95 49.5 mm |
1.49 37.8 mm |
1.00 25.4 mm |
1.00 25.4 mm |
0.87 22.1 mm |
0.92 23.4 mm |
5,000 PSI 34.5 MPa |
| 9S6J8-FF8 |
3/4-16 UNF-2A |
13/16-16 UN-2B |
2.38 60.5 mm |
1.53 38.9 mm |
1.95 49.5 mm |
1.49 37.8 mm |
1.10 27.9 mm |
1.00 25.4 mm |
1.00 25.4 mm |
0.92 23.4 mm |
5,000 PSI 34.5 MPa |
| 9S8J8-FF8 |
3/4-16 UNF-2A |
13/16-16 UN-2B |
2.36 59.9 mm |
1.52 38.6 mm |
2.19 55.6 mm |
1.45 36.8 mm |
1.08 27.4 mm |
1.13 28.7 mm |
1.00 25.4 mm |
1.50 38.1 mm |
5,000 PSI 34.5 MPa |
| 9S8J8-FF10 |
3/4-16 UNF-2A |
1-14 UNS-2B |
2.46 62.5 mm |
1.62 41.1 mm |
2.19 55.6 mm |
1.45 36.8 mm |
1.09 27.7 mm |
1.13 28.7 mm |
1.00 25.4 mm |
1.50 38.1 mm |
5,000 PSI 34.5 MPa |
| 9S8J10-FF8 |
7/8-14 UNF-2A |
13/16-16 UN-2B |
2.36 59.9 mm |
1.52 38.6 mm |
2.29 58.2 mm |
1.54 39.1 mm |
1.08 27.4 mm |
1.13 28.7 mm |
1.00 25.4 mm |
1.50 38.1 mm |
5,000 PSI 34.5 MPa |
| 9S8J10-FF10 |
7/8-14 UNF-2A |
1-14 UNS-2B |
2.46 62.5 mm |
1.62 41.1 mm |
2.29 58.2 mm |
1.54 39.1 mm |
1.09 27.7 mm |
1.13 28.7 mm |
1.00 25.4 mm |
1.50 38.1 mm |
5,000 PSI 34.5 MPa |
| 9S12J12-FF12 |
1 1/16-12 UN-2A |
1 3/16-12 UN-2B |
2.92 74.2 mm |
1.88 47.8 mm |
2.92 74.2 mm |
1.97 50.0 mm |
1.31 33.3 mm |
1.38 35.1 mm |
1.25 31.8 mm |
1.90 48.3 mm |
5,000 PSI 34.5 MPa |
| 9S16J16-FF16 |
1 5/16-12 UN-2A |
1 7/16-12 UN-2B |
3.21 81.5 mm |
2.06 52.3 mm |
3.23 82.0 mm |
2.17 55.1 mm |
1.48 37.6 mm |
1.63 41.4 mm |
1.63 41.4 mm |
2.13 54.1 mm |
4,000 PSI 27.6 MPa |
| 9S20J20-FF20 |
1 5/8-12 UN-2A |
1 11/16-12 UN-2B |
3.55 90.2 mm |
2.23 56.6 mm |
3.90 99.1 mm |
2.52 64.0 mm |
1.65 41.9 mm |
2.00 50.8 mm |
2.00 50.8 mm |
2.75 69.9 mm |
4,000 PSI 27.6 MPa |
| 9S24J24-FF24 |
1 7/8-12 UN-2A |
2-12 UN-2B |
4.43 112.5 mm |
2.66 67.6 mm |
4.76 120.9 mm |
3.01 76.5 mm |
2.08 52.8 mm |
2.37 60.2 mm |
2.37 60.2 mm |
3.50 88.9 mm |
4,000 PSI 27.6 MPa |
SWIVELS | 9S-90° SWIVEL | MALE JIC TO MALE JIC
MALE JIC TO MALE JIC
male-jic-to-male-jic

| Part Number |
T1 |
T2 |
A |
B |
C |
D |
H Hex |
J Hex(* = Round) |
K Dia. |
Max W.P. |
| 9S4J4-J4 |
7/16-20 UNF-2A |
7/16-20 UNF-2A |
2.24 56.9 mm |
1.52 38.6 mm |
1.43 36.3 mm |
1.05 26.7 mm |
0.75 19.1 mm |
0.75 19.1 mm |
0.75 19.1 mm |
5,000 PSI 34.5 MPa |
| 9S4J4-J5 |
7/16-20 UNF-2A |
1/2-20 UNF-2A |
2.24 56.9 mm |
1.52 38.6 mm |
1.43 36.3 mm |
1.05 26.7 mm |
0.75 19.1 mm |
0.75 19.1 mm |
0.75 19.1 mm |
5,000 PSI 34.5 MPa |
| 9S4J5-J4 |
1/2-20 UNF-2A |
7/16-20 UNF-2A |
2.24 56.9 mm |
1.52 38.6 mm |
1.43 36.3 mm |
1.05 26.7 mm |
0.75 19.1 mm |
0.75 19.1 mm |
0.75 19.1 mm |
5,000 PSI 34.5 MPa |
| 9S6J5-J6 |
1/2-20 UNF-2A |
9/16-18 UNF-2A |
2.50 63.5 mm |
1.65 41.9 mm |
1.64 41.7 mm |
1.18 30.0 mm |
1.00 25.4 mm |
0.87 22.1 mm |
0.92 23.4 mm |
5,000 PSI 34.5 MPa |
| 9S6J5-J8 |
1/2-20 UNF-2A |
3/4-16 UNF-2A |
2.50 63.5 mm |
1.65 41.9 mm |
1.64 41.7 mm |
1.18 30.0 mm |
1.00 25.4 mm |
0.87 22.1 mm |
0.92 23.4 mm |
5,000 PSI 34.5 MPa |
| 9S6J6-J5 |
9/16-18 UNF-2A |
1/2-20 UNF-2A |
2.50 63.5 mm |
1.65 41.9 mm |
1.64 41.7 mm |
1.18 30.0 mm |
1.00 25.4 mm |
0.87 22.1 mm |
0.92 23.4 mm |
5,000 PSI 34.5 MPa |
| 9S6J6-J6 |
9/16-18 UNF-2A |
9/16-18 UNF-2A |
2.50 63.5 mm |
1.65 41.9 mm |
1.64 41.7 mm |
1.18 30.0 mm |
1.00 25.4 mm |
0.87 22.1 mm |
0.92 23.4 mm |
5,000 PSI 34.5 MPa |
| 9S6J6-J8 |
9/16-18 UNF-2A |
3/4-16 UNF-2A |
2.50 63.5 mm |
1.65 41.9 mm |
1.64 41.7 mm |
1.18 30.0 mm |
1.00 25.4 mm |
0.87 22.1 mm |
0.92 23.4 mm |
5,000 PSI 34.5 MPa |
| 9S6J8-J5 |
3/4-16 UNF-2A |
1/2-20 UNF-2A |
2.50 63.5 mm |
1.65 41.9 mm |
1.95 49.5 mm |
1.49 37.8 mm |
1.00 25.4 mm |
0.87 22.1 mm |
0.92 23.4 mm |
5,000 PSI 34.5 MPa |
| 9S6J8-J6 |
3/4-16 UNF-2A |
9/16-18 UNF-2A |
2.50 63.5 mm |
1.65 41.9 mm |
1.95 49.5 mm |
1.49 37.8 mm |
1.00 25.4 mm |
0.87 22.1 mm |
0.92 23.4 mm |
5,000 PSI 34.5 MPa |
| 9S6J8-J8 |
3/4-16 UNF-2A |
3/4-16 UNF-2A |
2.50 63.5 mm |
1.65 41.9 mm |
1.95 49.5 mm |
1.49 37.8 mm |
1.00 25.4 mm |
0.87 22.1 mm |
0.92 23.4 mm |
5,000 PSI 34.5 MPa |
| 9S8J8-J8 |
3/4-16 UNF-2A |
3/4-16 UNF-2A |
2.83 71.9 mm |
1.99 50.5 mm |
2.19 55.6 mm |
1.45 36.8 mm |
1.13 28.7 mm |
1.00 25.4 mm |
1.50 38.1 mm |
5,000 PSI 34.5 MPa |
| 9S8J8-J10 |
3/4-16 UNF-2A |
7/8-14 UNF-2A |
2.83 71.9 mm |
1.99 50.5 mm |
2.19 55.6 mm |
1.45 36.8 mm |
1.13 28.7 mm |
1.00 25.4 mm |
1.50 38.1 mm |
5,000 PSI 34.5 MPa |
| 9S8J10-J8 |
7/8-14 UNF-2A |
3/4-16 UNF-2A |
2.83 71.9 mm |
1.99 50.5 mm |
2.29 58.2 mm |
1.54 39.1 mm |
1.13 28.7 mm |
1.00 25.4 mm |
1.50 38.1 mm |
5,000 PSI 34.5 MPa |
| 9S8J10-J10 |
7/8-14 UNF-2A |
7/8-14 UNF-2A |
2.83 71.9 mm |
1.99 50.5 mm |
2.29 58.2 mm |
1.54 39.1 mm |
1.13 28.7 mm |
1.00 25.4 mm |
1.50 38.1 mm |
5,000 PSI 34.5 MPa |
| 9S12J12-J12 |
1 1/16-12 UN-2A |
1 1/16-12 UN-2A |
3.40 86.4 mm |
2.36 59.9 mm |
2.92 74.2 mm |
1.97 50.0 mm |
1.38 35.1 mm |
1.25 31.8 mm |
1.90 48.3 mm |
5,000 PSI 34.5 MPa |
| 9S16J16-J16 |
1 5/16-12 UN-2A |
1 5/16-12 UN-2A |
3.82 97.0 mm |
2.68 68.1 mm |
3.23 82.0 mm |
2.17 55.1 mm |
1.63 41.4 mm |
1.63 41.4 mm |
2.13 54.1 mm |
4,000 PSI 27.6 MPa |
| 9S20J20-J20 |
1 5/8-12 UN-2A |
1 5/8-12 UN-2A |
4.13 104.9 mm |
2.81 71.4 mm |
3.90 99.1 mm |
2.52 64.0 mm |
2.00 50.8 mm |
2.00 50.8 mm |
2.75 69.9 mm |
4,000 PSI 27.6 MPa |
| 9S24J24-J24 |
1 7/8-12 UN-2A |
1 7/8-12 UN-2A |
5.27 133.9 mm |
3.50 88.9 mm |
4.76 120.9 mm |
3.01 76.5 mm |
2.37 60.2 mm |
2.37 60.2 mm |
3.50 88.9 mm |
4,000 PSI 27.6 MPa |
| 9S32J32-J32 |
2 1/2-12 UN-2A |
2 1/2-12 UN-2A |
6.25 158.8 mm |
4.15 105.4 mm |
5.97 151.6 mm |
3.72 94.5 mm |
2.87 72.9 mm |
*3.12 79.2 mm |
4.50 114.3 mm |
3,000 PSI 20.7 MPa |
SWIVELS | 9S-90° SWIVEL | MALE JIC TO MALE SAE O-RING BOSS
MALE JIC TO MALE SAE O-RING BOSS
male-jic-to-male-sae-o-ring-boss

| Part Number |
T1 |
T2 |
A |
B |
C |
D |
F |
H Hex |
J Hex(* = Round) |
K Dia. |
Max W.P. |
| 9S4J4-O4 |
7/16-20 UNF-2A |
7/16-20 UNF-2A |
2.20 55.9 mm |
1.48 37.6 mm |
1.43 36.3 mm |
1.05 26.7 mm |
1.05 26.7 mm |
0.75 19.1 mm |
0.75 19.1 mm |
0.75 19.1 mm |
5,000 PSI 34.5 MPa |
| 9S4J4-O5 |
7/16-20 UNF-2A |
1/2-20 UNF-2A |
2.20 55.9 mm |
1.48 37.6 mm |
1.43 36.3 mm |
1.05 26.7 mm |
1.05 26.7 mm |
0.75 19.1 mm |
0.75 19.1 mm |
0.75 19.1 mm |
5,000 PSI 34.5 MPa |
| 9S4J5-O4 |
1/2-20 UNF-2A |
7/16-20 UNF-2A |
2.20 55.9 mm |
1.48 37.6 mm |
1.43 36.3 mm |
1.05 26.7 mm |
1.05 26.7 mm |
0.75 19.1 mm |
0.75 19.1 mm |
0.75 19.1 mm |
5,000 PSI 34.5 MPa |
| 9S6J5-O5 |
1/2-20 UNF-2A |
1/2-20 UNF-2A |
2.50 63.5 mm |
1.65 41.9 mm |
1.64 41.7 mm |
1.18 30.0 mm |
1.22 31.0 mm |
1.00 25.4 mm |
0.87 22.1 mm |
0.92 23.4 mm |
5,000 PSI 34.5 MPa |
| 9S6J5-O6 |
1/2-20 UNF-2A |
9/16-18 UNF-2A |
2.50 63.5 mm |
1.65 41.9 mm |
1.64 41.7 mm |
1.18 30.0 mm |
1.18 30.0 mm |
1.00 25.4 mm |
0.87 22.1 mm |
0.92 23.4 mm |
5,000 PSI 34.5 MPa |
| 9S6J5-O8 |
1/2-20 UNF-2A |
3/4-16 UNF-2A |
2.50 63.5 mm |
1.65 41.9 mm |
1.64 41.7 mm |
1.18 30.0 mm |
1.10 27.9 mm |
1.00 25.4 mm |
0.87 22.1 mm |
0.92 23.4 mm |
5,000 PSI 34.5 MPa |
| 9S6J6-O4 |
9/16-18 UNF-2A |
7/16-20 UNF-2A |
2.50 63.5 mm |
1.65 41.9 mm |
1.64 41.7 mm |
1.18 30.0 mm |
1.22 31.0 mm |
1.00 25.4 mm |
0.87 22.1 mm |
0.92 23.4 mm |
5,000 PSI 34.5 MPa |
| 9S6J6-O5 |
9/16-18 UNF-2A |
1/2-20 UNF-2A |
2.50 63.5 mm |
1.65 41.9 mm |
1.64 41.7 mm |
1.18 30.0 mm |
1.22 31.0 mm |
1.00 25.4 mm |
0.87 22.1 mm |
0.92 23.4 mm |
5,000 PSI 34.5 MPa |
| 9S6J6-O6 |
9/16-18 UNF-2A |
9/16-18 UNF-2A |
2.50 63.5 mm |
1.65 41.9 mm |
1.64 41.7 mm |
1.18 30.0 mm |
1.18 30.0 mm |
1.00 25.4 mm |
0.87 22.1 mm |
0.92 23.4 mm |
5,000 PSI 34.5 MPa |
| 9S6J6-O8 |
9/16-18 UNF-2A |
3/4-16 UNF-2A |
2.50 63.5 mm |
1.65 41.9 mm |
1.64 41.7 mm |
1.18 30.0 mm |
1.10 27.9 mm |
1.00 25.4 mm |
0.87 22.1 mm |
0.92 23.4 mm |
5,000 PSI 34.5 MPa |
| 9S6J8-O4 |
3/4-16 UNF-2A |
7/16-20 UNF-2A |
2.50 63.5 mm |
1.65 41.9 mm |
1.95 49.5 mm |
1.49 37.8 mm |
1.22 31.0 mm |
1.00 25.4 mm |
0.87 22.1 mm |
0.92 23.4 mm |
5,000 PSI 34.5 MPa |
| 9S6J8-O5 |
3/4-16 UNF-2A |
1/2-20 UNF-2A |
2.50 63.5 mm |
1.65 41.9 mm |
1.95 49.5 mm |
1.49 37.8 mm |
1.22 31.0 mm |
1.00 25.4 mm |
0.87 22.1 mm |
0.92 23.4 mm |
5,000 PSI 34.5 MPa |
| 9S6J8-O6 |
3/4-16 UNF-2A |
9/16-18 UNF-2A |
2.50 63.5 mm |
1.65 41.9 mm |
1.95 49.5 mm |
1.49 37.8 mm |
1.18 30.0 mm |
1.00 25.4 mm |
0.87 22.1 mm |
0.92 23.4 mm |
5,000 PSI 34.5 MPa |
| 9S6J8-O8 |
3/4-16 UNF-2A |
3/4-16 UNF-2A |
2.50 63.5 mm |
1.65 41.9 mm |
1.95 49.5 mm |
1.49 37.8 mm |
1.10 27.9 mm |
1.00 25.4 mm |
0.87 22.1 mm |
0.92 23.4 mm |
5,000 PSI 34.5 MPa |
| 9S8J8-O8 |
3/4-16 UNF-2A |
3/4-16 UNF-2A |
2.58 65.5 mm |
1.74 44.2 mm |
2.19 55.6 mm |
1.45 36.8 mm |
1.19 30.2 mm |
1.13 28.7 mm |
1.00 25.4 mm |
1.50 38.1 mm |
5,000 PSI 34.5 MPa |
| 9S8J8-O10 |
3/4-16 UNF-2A |
7/8-14 UNF-2A |
2.83 71.9 mm |
1.99 50.5 mm |
2.19 55.6 mm |
1.45 36.8 mm |
1.35 34.3 mm |
1.13 28.7 mm |
1.00 25.4 mm |
1.50 38.1 mm |
5,000 PSI 34.5 MPa |
| 9S8J8-O12 |
3/4-16 UNF-2A |
1 1/16-12 UN-2A |
3.00 76.2 mm |
2.16 54.9 mm |
2.19 55.6 mm |
1.45 36.8 mm |
1.44 36.6 mm |
1.13 28.7 mm |
1.25 31.8 mm |
1.50 38.1 mm |
5,000 PSI 34.5 MPa |
| 9S8J10-O8 |
7/8-14 UNF-2A |
3/4-16 UNF-2A |
2.58 65.5 mm |
1.74 44.2 mm |
2.29 58.2 mm |
1.54 39.1 mm |
1.19 30.2 mm |
1.13 28.7 mm |
1.00 25.4 mm |
1.50 38.1 mm |
5,000 PSI 34.5 MPa |
| 9S8J10-O10 |
7/8-14 UNF-2A |
7/8-14 UNF-2A |
2.83 71.9 mm |
1.99 50.5 mm |
2.29 58.2 mm |
1.54 39.1 mm |
1.35 34.3 mm |
1.13 28.7 mm |
1.00 25.4 mm |
1.50 38.1 mm |
5,000 PSI 34.5 MPa |
| 9S8J10-O12 |
7/8-14 UNF-2A |
1 1/16-12 UN-2A |
3.00 76.2 mm |
2.16 54.9 mm |
2.29 58.2 mm |
1.54 39.1 mm |
1.44 36.6 mm |
1.13 28.7 mm |
1.25 31.8 mm |
1.50 38.1 mm |
5,000 PSI 34.5 MPa |
| 9S12J12-O12 |
1 1/16-12 UN-2A |
1 1/16-12 UN-2A |
3.37 85.6 mm |
2.33 59.2 mm |
2.92 74.2 mm |
1.97 50.0 mm |
1.62 41.1 mm |
1.38 35.1 mm |
1.25 31.8 mm |
1.90 48.3 mm |
5,000 PSI 34.5 MPa |
| 9S16J16-O16 |
1 5/16-12 UN-2A |
1 5/16-12 UN-2A |
3.62 91.9 mm |
2.48 63.0 mm |
3.23 82.0 mm |
2.17 55.1 mm |
1.78 45.2 mm |
1.63 41.4 mm |
1.63 41.4 mm |
2.13 54.1 mm |
4,000 PSI 27.6 MPa |
| 9S20J20-O20 |
1 5/8-12 UN-2A |
1 5/8-12 UN-2A |
4.08 103.6 mm |
2.76 70.1 mm |
3.90 99.1 mm |
2.52 64.0 mm |
2.04 51.8 mm |
2.00 50.8 mm |
2.00 50.8 mm |
2.75 69.9 mm |
4,000 PSI 27.6 MPa |
| 9S24J24-O24 |
1 7/8-12 UN-2A |
1 7/8-12 UN-2A |
4.91 124.7 mm |
3.14 79.8 mm |
4.76 120.9 mm |
3.01 76.5 mm |
2.42 61.5 mm |
2.37 60.2 mm |
2.37 60.2 mm |
3.50 88.9 mm |
4,000 PSI 27.6 MPa |
| 9S32J32-O32 |
2 1/2-12 UN-2A |
2 1/2-12 UN-2A |
6.14 156.0 mm |
4.04 102.6 mm |
5.97 151.6 mm |
3.72 94.5 mm |
3.33 84.6 mm |
2.87 72.9 mm |
*3.12 79.2 mm |
4.50 114.3 mm |
3,000 PSI 20.7 MPa |
SWIVELS | 9S-90° SWIVEL | MALE JIC TO MALE PIPE
MALE JIC TO MALE PIPE
male-jic-to-male-pipe

| Part Number |
T1 |
T2 |
A |
B |
C |
D |
H Hex |
J Hex(* = Round) |
K Dia. |
Max W.P. |
| 9S4J4-P4 |
7/16-20 UNF-2A |
1/4-18 NPTF |
2.24 56.9 mm |
1.52 38.6 mm |
1.43 36.3 mm |
1.05 26.7 mm |
0.75 19.1 mm |
0.75 19.1 mm |
0.75 19.1 mm |
5,000 PSI 34.5 MPa |
| 9S4J5-P4 |
1/2-20 UNF-2A |
1/4-18 NPTF |
2.24 56.9 mm |
1.52 38.6 mm |
1.43 36.3 mm |
1.05 26.7 mm |
0.75 19.1 mm |
0.75 19.1 mm |
0.75 19.1 mm |
5,000 PSI 34.5 MPa |
| 9S6J5-P6 |
1/2-20 UNF-2A |
3/8-18 NPTF |
2.50 63.5 mm |
1.65 41.9 mm |
1.64 41.7 mm |
1.18 30.0 mm |
1.00 25.4 mm |
0.87 22.1 mm |
0.92 23.4 mm |
5,000 PSI 34.5 MPa |
| 9S6J6-P4 |
9/16-18 UNF-2A |
1/4-18 NPTF |
2.50 63.5 mm |
1.65 41.9 mm |
1.64 41.7 mm |
1.18 30.0 mm |
1.00 25.4 mm |
0.87 22.1 mm |
0.92 23.4 mm |
5,000 PSI 34.5 MPa |
| 9S6J6-P6 |
9/16-18 UNF-2A |
3/8-18 NPTF |
2.50 63.5 mm |
1.65 41.9 mm |
1.64 41.7 mm |
1.18 30.0 mm |
1.00 25.4 mm |
0.87 22.1 mm |
0.92 23.4 mm |
5,000 PSI 34.5 MPa |
| 9S6J8-P4 |
3/4-16 UNF-2A |
1/4-18 NPTF |
2.50 63.5 mm |
1.65 41.9 mm |
1.95 49.5 mm |
1.49 37.8 mm |
1.00 25.4 mm |
0.87 22.1 mm |
0.92 23.4 mm |
5,000 PSI 34.5 MPa |
| 9S6J8-P6 |
3/4-16 UNF-2A |
3/8-18 NPTF |
2.50 63.5 mm |
1.65 41.9 mm |
1.95 49.5 mm |
1.49 37.8 mm |
1.00 25.4 mm |
0.87 22.1 mm |
0.92 23.4 mm |
5,000 PSI 34.5 MPa |
| 9S8J8-P8 |
3/4-16 UNF-2A |
1/2-14 NPTF |
2.83 71.9 mm |
1.99 50.5 mm |
2.19 55.6 mm |
1.45 36.8 mm |
1.13 28.7 mm |
1.00 25.4 mm |
1.50 38.1 mm |
5,000 PSI 34.5 MPa |
| 9S8J10-P8 |
7/8-14 UNF-2A |
1/2-14 NPTF |
2.83 71.9 mm |
1.99 50.5 mm |
2.29 58.2 mm |
1.54 39.1 mm |
1.13 28.7 mm |
1.00 25.4 mm |
1.50 38.1 mm |
5,000 PSI 34.5 MPa |
| 9S12J12-P12 |
1 1/16-12 UN-2A |
3/4-14 NPTF |
3.40 86.4 mm |
2.35 59.7 mm |
2.92 74.2 mm |
1.97 50.0 mm |
1.38 35.1 mm |
1.25 31.8 mm |
1.90 48.3 mm |
5,000 PSI 34.5 MPa |
| 9S16J16-P16 |
1 5/16-12 UN-2A |
1-11 1/2 NPTF |
3.82 97.0 mm |
2.68 68.1 mm |
3.23 82.0 mm |
2.17 55.1 mm |
1.63 41.4 mm |
1.63 41.4 mm |
2.13 54.1 mm |
4,000 PSI 27.6 MPa |
| 9S20J20-P20 |
1 5/8-12 UN-2A |
1 1/4-11 1/2 NPTF |
4.18 106.2 mm |
2.86 72.6 mm |
3.90 99.1 mm |
2.52 64.0 mm |
2.00 50.8 mm |
2.00 50.8 mm |
2.75 69.9 mm |
4,000 PSI 27.6 MPa |
| 9S24J24-P24 |
1 7/8-12 UN-2A |
1 1/2-11 1/2 NPTF |
5.32 135.1 mm |
3.55 90.2 mm |
4.76 120.9 mm |
3.01 76.5 mm |
2.37 60.2 mm |
2.37 60.2 mm |
3.50 88.9 mm |
4,000 PSI 27.6 MPa |
| 9S32J32-P32 |
2 1/2-12 UN-2A |
2-11 1/2 NPTF |
6.25 158.8 mm |
4.15 105.4 mm |
5.97 151.6 mm |
3.72 94.5 mm |
2.87 72.9 mm |
*3.12 79.2 mm |
4.50 114.3 mm |
3,000 PSI 20.7 MPa |
SWIVELS | 9S-90° SWIVEL | MALE JIC TO FEMALE PIPE
MALE JIC TO FEMALE PIPE
male-jic-to-female-pipe

| Part Number |
T1 |
T2 |
A |
B |
C |
D |
H Hex |
J Hex(* = Round) |
K Dia. |
Max W.P. |
| 9S4J4-PF4 |
7/16-20 UNF-2A |
1/4-18 NPTF |
2.24 56.9 mm |
1.52 38.6 mm |
1.43 36.3 mm |
1.05 26.7 mm |
0.75 19.1 mm |
0.75 19.1 mm |
0.75 19.1 mm |
5,000 PSI 34.5 MPa |
| 9S4J5-PF4 |
1/2-20 UNF-2A |
1/4-18 NPTF |
2.24 56.9 mm |
1.52 38.6 mm |
1.43 36.3 mm |
1.05 26.7 mm |
0.75 19.1 mm |
0.75 19.1 mm |
0.75 19.1 mm |
5,000 PSI 34.5 MPa |
| 9S6J5-PF6 |
1/2-20 UNF-2A |
3/8-18 NPTF |
2.50 63.5 mm |
1.65 41.9 mm |
1.64 41.7 mm |
1.18 30.0 mm |
1.00 25.4 mm |
0.87 22.1 mm |
0.92 23.4 mm |
5,000 PSI 34.5 MPa |
| 9S6J6-PF4 |
9/16-18 UNF-2A |
1/4-18 NPTF |
2.50 63.5 mm |
1.65 41.9 mm |
1.64 41.7 mm |
1.18 30.0 mm |
1.00 25.4 mm |
0.87 22.1 mm |
0.92 23.4 mm |
5,000 PSI 34.5 MPa |
| 9S6J6-PF6 |
9/16-18 UNF-2A |
3/8-18 NPTF |
2.50 63.5 mm |
1.65 41.9 mm |
1.64 41.7 mm |
1.18 30.0 mm |
1.00 25.4 mm |
0.87 22.1 mm |
0.92 23.4 mm |
5,000 PSI 34.5 MPa |
| 9S6J8-PF4 |
3/4-16 UNF-2A |
1/4-18 NPTF |
2.50 63.5 mm |
1.65 41.9 mm |
1.95 49.5 mm |
1.49 37.8 mm |
1.00 25.4 mm |
0.87 22.1 mm |
0.92 23.4 mm |
5,000 PSI 34.5 MPa |
| 9S6J8-PF6 |
3/4-16 UNF-2A |
3/8-18 NPTF |
2.50 63.5 mm |
1.65 41.9 mm |
1.95 49.5 mm |
1.49 37.8 mm |
1.00 25.4 mm |
0.87 22.1 mm |
0.92 23.4 mm |
5,000 PSI 34.5 MPa |
| 9S8J8-PF8 |
3/4-16 UNF-2A |
1/2-14 NPTF |
2.62 66.5 mm |
1.78 45.2 mm |
2.19 55.6 mm |
1.45 36.8 mm |
1.13 28.7 mm |
1.00 25.4 mm |
1.50 38.1 mm |
5,000 PSI 34.5 MPa |
| 9S8J10-PF8 |
7/8-14 UNF-2A |
1/2-14 NPTF |
2.62 66.5 mm |
1.78 45.2 mm |
2.29 58.2 mm |
1.54 39.1 mm |
1.13 28.7 mm |
1.00 25.4 mm |
1.50 38.1 mm |
5,000 PSI 34.5 MPa |
| 9S12J12-PF12 |
1 1/16-12 UN-2A |
3/4-14 NPTF |
3.00 76.2 mm |
1.96 49.8 mm |
2.92 74.2 mm |
1.97 50.0 mm |
1.38 35.1 mm |
1.25 31.8 mm |
1.90 48.3 mm |
5,000 PSI 34.5 MPa |
| 9S16J16-PF16 |
1 5/16-12 UN-2A |
1-11 1/2 NPTF |
3.40 86.4 mm |
2.26 57.4 mm |
3.23 82.0 mm |
2.17 55.1 mm |
1.63 41.4 mm |
1.63 41.4 mm |
2.13 54.1 mm |
4,000 PSI 27.6 MPa |
| 9S20J20-PF20 |
1 5/8-12 UN-2A |
1 1/4-11 1/2 NPTF |
4.18 106.2 mm |
2.86 72.6 mm |
3.90 99.1 mm |
2.52 64.0 mm |
2.00 50.8 mm |
2.00 50.8 mm |
2.75 69.9 mm |
4,000 PSI 27.6 MPa |
| 9S24J24-PF24 |
1 7/8-12 UN-2A |
1 1/2-11 1/2 NPTF |
4.89 124.2 mm |
3.12 79.2 mm |
4.76 120.9 mm |
3.01 76.5 mm |
2.37 60.2 mm |
2.37 60.2 mm |
3.50 88.9 mm |
4,000 PSI 27.6 MPa |
| 9S32J32-PF32 |
2 1/2-12 UN-2A |
2-11 1/2 NPTF |
5.50 139.7 mm |
3.40 86.4 mm |
5.97 151.6 mm |
3.72 94.5 mm |
2.87 72.9 mm |
*3.12 79.2 mm |
4.50 114.3 mm |
3,000 PSI 20.7 MPa |
更多型号点击查看
Male O-Ring Face Seal to Male O-Ring Face Seal
Male O-Ring Face Seal to Female O-Ring Face Seal
Male O-Ring Face Seal to Male JIC
Male O-Ring Face Seal to Male SAE O-Ring Boss
Male O-Ring Face Seal to Male Pipe
Male O-Ring Face Seal to Female Pipe
Female O-Ring Face Seal Union to Male O-Ring Face Seal
Female O-Ring Face Seal Union to Female O-Ring Face Seal
Female O-Ring Face Seal Union to Male JIC
Female O-Ring Face Seal Union to Male SAE O-Ring Boss
Female O-Ring Face Seal Union to Male Pipe
Female O-Ring Face Seal Union to Female Pipe
Male JIC to Male O-Ring Face Seal
Male JIC to Female O-Ring Face Seal
Male JIC to Male JIC
Male JIC to Male SAE O-Ring Boss
Male JIC to Male Pipe
Male JIC to Female Pipe
Female Pipe Union to Male O-Ring Face Seal
Female Pipe Union to Female O-Ring Face Seal
Female Pipe Union to Male JIC
Female Pipe Union to Male SAE O-Ring Boss
Female Pipe Union to Male Pipe
Female Pipe Union to Female Pipe
Female Pipe to Male O-Ring Face Seal
Female Pipe to Female O-Ring Face Seal
Female Pipe to Male JIC
Female Pipe to Male SAE O-Ring Boss
Female Pipe to Male Pipe
Female Pipe to Female Pipe
Male Pipe to Male O-Ring Face Seal
Male Pipe to Female O-Ring Face Seal
Male Pipe to Male JIC
Male Pipe to O-Male SAE O-Ring Boss
Male Pipe to Male Pipe
Male Pipe to Female Pipe
Part Number
9S4F4-F4
9S6F6-F6
9S6F6-F8
9S6F8-F6
9S6F8-F8
9S8F8-F8
9S8F8-F10
9S8F10-F8
9S8F10-F10
9S12F12-F12
9S16F16-F16
9S20F20-F20
9S24F24-F24
Part Number
9S4F4-FF4
9S6F6-FF6
9S6F6-FF8
9S6F8-FF6
9S6F8-FF8
9S8F8-FF8
9S8F8-FF10
9S8F10-FF8
9S8F10-FF10
9S12F12-FF12
9S16F16-FF16
9S20F20-FF20
9S24F24-FF24
Part Number
9S4F4-J4
9S4F4-J5
9S6F4-J6
9S6F6-J5
9S6F6-J6
9S6F6-J8
9S6F8-J6
9S6F8-J8
9S8F8-J10
9S8F10-J10
9S12F12-J12
9S16F16-J16
9S20F20-J20
9S24F24-J24
Part Number
9S4F4-O4
9S4F4-O5
9S6F4-O6
9S6F6-O4
9S6F6-O5
9S6F6-O6
9S6F6-O8
9S6F8-O4
9S6F8-O5
9S6F8-O6
9S6F8-O8
9S8F8-O8
9S8F8-O10
9S8F8-O12
9S8F10-O8
9S8F10-O10
9S12F12-O12
9S16F16-O16
9S20F20-O20
9S24F24-O24
Part Number
9S4F4-P4
9S6F4-P6
9S6F6-P4
9S6F6-P6
9S6F8-P4
9S6F8-P6
9S8F8-P8
9S8F10-P8
9S12F12-P12
9S16F16-P16
9S20F20-P20
9S24F24-P24
Part Number
9S4F4-PF4
9S6F4-PF6
9S6F6-PF4
9S6F6-PF6
9S6F8-PF4
9S6F8-PF6
9S8F8-PF8
9S8F10-PF8
9S12F12-PF12
9S16F16-PF16
9S20F20-PF20
9S24F24-PF24
Part Number
9S4FU4-F4
9S6FU6-F6
9S6FU6-F8
9S8FU8-F8
9S8FU8-F10
9S8FU10-F8
9S8FU10-F10
9S12FU12-F12
9S16FU16-F16
9S20FU20-F20
9S24FU24-F24
Part Number
9S4FU4-FF4
9S6FU6-FF6
9S6FU6-FF8
9S8FU8-FF8
9S8FU8-FF10
9S8FU10-FF8
9S8FU10-FF10
9S12FU12-FF12
9S16FU16-FF16
9S20FU20-FF20
9S24FU24-FF24
Part Number
9S4FU4-J4
9S4FU4-J5
9S6FU6-J5
9S6FU6-J6
9S6FU6-J8
9S8FU8-J8
9S8FU8-J10
9S8FU10-J8
9S8FU10-J10
9S12FU12-J12
9S16FU16-J16
9S20FU20-J20
9S24FU24-J24
Part Number
9S4FU4-O4
9S4FU4-O5
9S6FU6-O4
9S6FU6-O5
9S6FU6-O6
9S6FU6-O8
9S8FU8-O8
9S8FU8-O10
9S8FU10-O8
9S8FU10-O10
9S12FU12-O12
9S16FU16-O16
9S20FU20-O20
9S24FU24-O24
Part Number
9S4FU4-P4
9S6FU6-P4
9S6FU6-P6
9S8FU8-P8
9S8FU10-P8
9S12FU12-P12
9S16FU16-P16
9S20FU20-P20
9S24FU24-P24
Part Number
9S4FU4-PF4
9S6FU6-PF4
9S6FU6-PF6
9S8FU8-PF8
9S8FU10-PF8
9S12FU12-PF12
9S16FU16-PF16
9S20FU20-PF20
9S24FU24-PF24
Part Number
9S4J4-F4
9S4J5-F4
9S6J5-F6
9S6J5-F8
9S6J6-F6
9S6J6-F8
9S6J8-F6
9S6J8-F8
9S8J8-F8
9S8J8-F10
9S8J10-F8
9S8J10-F10
9S12J12-F12
9S16J16-F16
9S20J20-F20
9S24J24-F24
Part Number
9S4J4-FF4
9S4J5-FF4
9S6J5-FF6
9S6J5-FF8
9S6J6-FF6
9S6J6-FF8
9S6J8-FF6
9S6J8-FF8
9S8J8-FF8
9S8J8-FF10
9S8J10-FF8
9S8J10-FF10
9S12J12-FF12
9S16J16-FF16
9S20J20-FF20
9S24J24-FF24
Part Number
9S4J4-J4
9S4J4-J5
9S4J5-J4
9S6J5-J6
9S6J5-J8
9S6J6-J5
9S6J6-J6
9S6J6-J8
9S6J8-J5
9S6J8-J6
9S6J8-J8
9S8J8-J8
9S8J8-J10
9S8J10-J8
9S8J10-J10
9S12J12-J12
9S16J16-J16
9S20J20-J20
9S24J24-J24
9S32J32-J32
Part Number
9S4J4-O4
9S4J4-O5
9S4J5-O4
9S6J5-O5
9S6J5-O6
9S6J5-O8
9S6J6-O4
9S6J6-O5
9S6J6-O6
9S6J6-O8
9S6J8-O4
9S6J8-O5
9S6J8-O6
9S6J8-O8
9S8J8-O8
9S8J8-O10
9S8J8-O12
9S8J10-O8
9S8J10-O10
9S8J10-O12
9S12J12-O12
9S16J16-O16
9S20J20-O20
9S24J24-O24
9S32J32-O32
Part Number
9S4J4-P4
9S4J5-P4
9S6J5-P6
9S6J6-P4
9S6J6-P6
9S6J8-P4
9S6J8-P6
9S8J8-P8
9S8J10-P8
9S12J12-P12
9S16J16-P16
9S20J20-P20
9S24J24-P24
9S32J32-P32
Part Number
9S4J4-PF4
9S4J5-PF4
9S6J5-PF6
9S6J6-PF4
9S6J6-PF6
9S6J8-PF4
9S6J8-PF6
9S8J8-PF8
9S8J10-PF8
9S12J12-PF12
9S16J16-PF16
9S20J20-PF20
9S24J24-PF24
9S32J32-PF32
|