|
|
|
|
Rectus利达时低压系列接头:黄铜、碳钢20KA系列快速接头 RECTUS Series 系列20KA快速接头
Rectus 20系列快换接头,国际通用型结构
Parker派克20系列是一款迷你的工业快换接头,符合国际通用型结构。这一款快换接头是特别适用于医疗行业以及化工/制药行业的。
该系列快换接头,可以使用单手操作。该款快换接头设计独特,虽然尺寸小,但是能够保证高流量,能够适用于不同的应用以及不同的流体。

Rectus 20系列快换接头公称通径为2.5mm,用于气动以及流体输送的应用,承压可达35bar。
该系列快换接头符合国际通用型结构,目前可供材料为黄铜或者不锈钢。
市场:
- 工业
- 生命科学
- 轨道交通
- 机械工程
- 汽车
- 过程控制
- 电气工程
特点/优点:
- 迷你的工业快换
- 可单手操作,连接简单快速
- 世界通用型结构
- 与竞争对手的产品比,有流量高,连接力/断开力低
性能特点
标称直径 (DN) 2,7
阀门 是, 否
长度 (MM) 17 高达 52,5
外径 (MM) 7 高达 10
密封材料 丁腈橡胶,氟橡胶
最低工作温度(°C) -15, -20
最高工作温度 (C) 100, 200
最大工作压力 (BAR) 35
流速 (LPM) 130, 165
应用类型 气动系统及流体输送
应用:
- NIBP
- 自动化
Parker ,Rectus和Tema三大公司都经过了长期的独立发展阶段,2007年美国Parker派克收购了Rectus和TEMA与其业务交叉的部门,将三个公司业务相似和产品相同的设备线进行重组,利用各自优势,协同品牌效应,增强新整合部门的综合实力。因此,新创建的QCDE的(欧洲快速接头分部)结合国际地位与领先的技术和创新领域的气动和液压连接件,这使得QCDE成为行业合作范围最广、最具价值的合作伙伴,助力更多企业走向成功。
Rectus成立于1950年,2000年Rectus收购TEMA品牌,共同组建了Rectus-TEMA,在经历了长期的自主研发和特定的客户市场,2007年全球运动控制元件和系统的领导者Parker 全面收购(Rectus)利达时及(TEMA)天马品牌,在欧洲Nussdorf 组建QCDE总部,Rectus和Tema具有多年专业的开发快速接头的经验,使我们的客户能够从我们这里得到各种领域应用的快速连接件。RECTUS quick connect couplings have stood for the highest precision and reliability. The pneumatic systems are used in many industries, primarily for compressed air but also for connections with liquid media.
Rectus利达时低压系列接头:黄铜|碳钢|20KA系列快速接头 RECTUS Series 系列20KA快速接头
 |
单截止
Single Shut-Off |
通径 Nominal Diameter
2.7 = 6 mm2 |
|
RECTUS Series 系列
20KA |

流量压力损失表
Chart

|
特征描述
Technical
Description
迷你型快换接头,国际通用规格。适用于有大流量要求的各种应用中。广泛应用于小型气动设备、医疗技术及化学和制药行业。
|
优点 Advantages
可单手操
尺寸小
替换产品
Interchangeability
RECTUS 91
WALTHER 06-003 |
工作压力 Working Pressure
最大工作压力 35 bar,
最大静态压力的安全系数为4:1。
工作温度 Working Temperature*
-20°C ~ +100°C (NBR)
-40°C ~
+120/150°C (EPDM)
-15°C ~ +200°C
(FKM)
温度取决于介质
*特殊工况温度产品
当温度低于-20°C或者高于+100°C时,需要使用特殊的密封圈,请联系我们。 |
| 材料|材质 Material |
|
|
| 阳接头 Coupling |
标准Standard |
铜镀镍Nickel Plated |
本体Back Body
阀体Valve Body
滑套Sleeve
阀Valve
弹簧和锁定环Spring
& Locking Ring
锁定球体Locking Balls
密封圈Seals |
黄铜 Brass
黄铜 Brass
黄铜 Brass
黄铜 Brass
AISI
301
AISI 420
NBR |
铜镀镍 Nickel Plated
铜镀镍 Nickel Plated
铜镀镍 Nickel Plated
黄铜
Brass
AISI 301
AISI 420
NBR |
| 阴接头 Plug |
|
|
| 本体 Plug |
铜 Brass |
铜镀镍 Brass, Nickel Plated |
| 相关文档 Documents |
|
|
安全须知
Safety Instructions |
安装及维护说明
Installation & Maintenance |
操作说明
Operating
instructions |
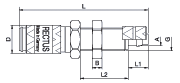
阴接头|接头体|Couplings |
| |
端口
A |
Hex
SW |
L
mm |
D
mm |
L1
mm |
L2
mm |
Hex1
SW |
B
mm |
G
mm |
材质 |
订货号 |
外螺纹Male Thread
|
M 5 |
9 |
26 |
10 |
5 |
|
|
|
|
标准 |
20KAAM05MPX |
| M 5 |
9 |
26 |
10 |
5 |
|
|
|
|
铜镀镍 |
20KAAM05MPN |
| G 1/8 |
11 |
28 |
10 |
7 |
|
|
|
|
标准 |
20KAAW10MPX |
| G 1/8 |
11 |
28 |
10 |
7 |
|
|
|
|
铜镀镍 |
20KAAW10MPN |
内螺纹Female Thread
|
M 5 |
9 |
26 |
10 |
5 |
|
|
|
|
标准 |
20KAIM05MPX |
| M 5 |
9 |
26 |
10 |
5 |
|
|
|
|
铜镀镍 |
20KAIM05MPN |
| G 1/8 |
12 |
28 |
10 |
7 |
|
|
|
|
标准 |
20KAIW10MPX |
| G 1/8 |
12 |
28 |
10 |
7 |
|
|
|
|
铜镀镍 |
20KAIW10MPN |
塑料管连接
Plastic Hose Connection
|
3 x 4 mm |
9 |
34 |
10 |
7 |
5 |
|
|
M 7 x 0,5 |
标准 |
20KAKO04MPX |
| 3 x 4 mm |
9 |
34 |
10 |
7 |
5 |
|
|
M 7 x 0,5 |
铜镀镍 |
20KAKO04MPN |
| 3 x 5 mm |
9 |
34 |
10 |
7 |
5 |
|
|
M 7 x 0,5 |
标准 |
20KAKO05MPX |
| 3 x 5 mm |
9 |
34 |
10 |
7 |
5 |
|
|
M 7 x 0,5 |
铜镀镍 |
20KAKO05MPN |
| 4 x 6 mm |
9 |
34 |
10 |
7 |
5 |
|
|
M 8 x 0,5 |
标准 |
20KAKO06MPX |
| 4 x 6 mm |
9 |
34 |
10 |
7 |
5 |
|
|
M 8 x 0,5 |
铜镀镍 |
20KAKO06MPN |
穿板式塑料管连接
Panel Mount, Plastic Hose
|
3 x 4 mm |
12 |
45 |
10 |
7 |
17 |
11 |
3 |
M 7 x 0,5 |
标准 |
20KAKS04MPX |
| 3 x 4 mm |
12 |
45 |
10 |
7 |
17 |
11 |
3 |
M 7 x 0,5 |
铜镀镍 |
20KAKS04MPN |
| 3 x 5 mm |
12 |
45 |
10 |
7 |
17 |
11 |
3 |
M 7 x 0,5 |
标准 |
20KAKS05MPX |
| 3 x 5 mm |
12 |
45 |
10 |
7 |
17 |
11 |
3 |
M 7 x 0,5 |
铜镀镍 |
20KAKS05MPN |
| 4 x 6 mm |
12 |
45 |
10 |
7 |
12 |
11 |
3 |
M 8 x 0,5 |
标准 |
20KAKS06MPX |
| 4 x 6 mm |
12 |
45 |
10 |
7 |
12 |
11 |
3 |
M 8 x 0,5 |
铜镀镍 |
20KAKS06MPN |
快插式 Push-In
|
4 mm |
10 |
35 |
10 |
|
|
|
|
|
铜镀镍 |
20KARP04MPN |
| |
|
|
|
|
|
|
|
|
|
|
| |
|
|
|
|
|
|
|
|
|
|
| |
|
|
|
|
|
|
|
|
|
|
宝塔式接头
Hose Barb
|
3 mm |
|
35 |
10 |
13 |
|
|
|
|
标准 |
20KATF03MPX |
| 3 mm |
|
35 |
10 |
13 |
|
|
|
|
铜镀镍 |
20KATF03MPN |
| 4 mm |
|
35 |
10 |
13 |
|
|
|
|
标准 |
20KATF04MPX |
| 4 mm |
|
35 |
10 |
13 |
|
|
|
|
铜镀镍 |
20KATF04MPN |
| 5 mm |
|
34 |
10 |
13 |
|
|
|
|
标准 |
20KATF05MPX |
| 5 mm |
|
34 |
10 |
13 |
|
|
|
|
铜镀镍 |
20KATF05MPN |
穿板式宝塔接头
Panel Mount, Hose Barb
|
3 mm |
12 |
51 |
10 |
13 |
17 |
11 |
3 |
M 7 x 0,5 |
标准 |
20KATS03MPX |
| 3 mm |
12 |
51 |
10 |
13 |
17 |
11 |
3 |
M 7 x 0,5 |
铜镀镍 |
20KATS03MPN |
| 4 mm |
12 |
51 |
10 |
13 |
17 |
11 |
3 |
M 7 x 0,5 |
标准 |
20KATS04MPX |
| 4 mm |
12 |
51 |
10 |
13 |
17 |
11 |
3 |
M 7 x 0,5 |
铜镀镍 |
20KATS04MPN |
| 6 mm |
12 |
51 |
10 |
13 |
17 |
12 |
3 |
M 10 x 1 |
标准 |
20KATS06MPX |
| 6 mm |
12 |
51 |
10 |
13 |
17 |
12 |
3 |
M 10 x 1 |
铜镀镍 |
20KATS06MPN |
阳接头|插头体|Plugs |
| |
端口
A |
Hex
SW |
L
mm |
D
mm |
L1
mm |
L2
mm |
Hex1
SW |
B
mm |
G
mm |
Version
材质 |
Part Number
订货号 |
宝塔式 塑料管连接
Plastic Hose Connection
|
3 x 4 mm |
7 |
25 |
|
7 |
5 |
|
|
M 7 x 0,5 |
标准 |
20SFKO04MXX |
| 3 x 4 mm |
7 |
25 |
|
7 |
5 |
|
|
M 7 x 0,5 |
铜镀镍 |
20SFKO04MXN |
| 3 x 5 mm |
7 |
25 |
|
7 |
5 |
|
|
M 7 x 0,5 |
标准 |
20SFKO05MXX |
| 3 x 5 mm |
7 |
25 |
|
7 |
5 |
|
|
M 7 x 0,5 |
铜镀镍 |
20SFKO05MXN |
| 4 x 6 mm |
8 |
25 |
|
7 |
5 |
|
|
M 8 x 0,5 |
标准 |
20SFKO06MXX |
| 4 x 6 mm |
8 |
25 |
|
7 |
5 |
|
|
M 8 x 0,5 |
铜镀镍 |
20SFKO06MXN |
穿板式塑料管连接
|
3 x 4 mm |
11 |
38 |
|
7 |
17 |
11 |
3 |
M 7 x 0,5 |
标准 |
20SFKS04MXX |
| 3 x 4 mm |
11 |
38 |
|
7 |
17 |
11 |
3 |
M 7 x 0,5 |
铜镀镍 |
20SFKS04MXN |
| 3 x 5 mm |
11 |
38 |
|
7 |
17 |
11 |
3 |
M 7 x 0,5 |
标准 |
20SFKS05MXX |
| 3 x 5 mm |
11 |
38 |
|
7 |
17 |
11 |
3 |
M 7 x 0,5 |
铜镀镍 |
20SFKS05MXN |
| 4 x 6 mm |
12 |
38 |
|
7 |
17 |
12 |
3 |
M 8 x 0,5 |
标准 |
20SFKS06MXX |
| 4 x 6 mm |
12 |
38 |
|
7 |
17 |
12 |
3 |
M 8 x 0,5 |
铜镀镍 |
20SFKS06MXN |
快插式 Push-In
|
4 mm |
10 |
35 |
10 |
|
|
|
|
|
铜镀镍 |
20SFRP04MPN |
| |
|
|
|
|
|
|
|
|
|
|
| |
|
|
|
|
|
|
|
|
|
|
| |
|
|
|
|
|
|
|
|
|
|
宝塔式 Hose Barb
|
3 mm |
|
24 |
7 |
13 |
|
|
|
|
标准 |
20SFTF03MXX |
| 3 mm |
|
24 |
7 |
13 |
|
|
|
|
铜镀镍 |
20SFTF03MXN |
| 4 mm |
|
24 |
7 |
13 |
|
|
|
|
标准 |
20SFTF04MXX |
| 4 mm |
|
24 |
7 |
13 |
|
|
|
|
铜镀镍 |
20SFTF04MXN |
| 5 mm |
|
22 |
9 |
13 |
|
|
|
|
标准 |
20SFTF05MXX |
| 5 mm |
|
22 |
9 |
13 |
|
|
|
|
铜镀镍 |
20SFTF05MXN |
穿板式宝塔接头
Panel Mount, Hose Barb
|
3 mm |
12 |
45 |
|
13 |
18 |
11 |
3,5 |
M 7 x 0,5 |
标准 |
20SFTS03MXX |
| 3 mm |
12 |
45 |
|
13 |
18 |
11 |
3,5 |
M 7 x 0,5 |
铜镀镍 |
20SFTS03MXN |
| 4 mm |
12 |
45 |
|
13 |
17 |
11 |
3 |
M 7 x 0,5 |
标准 |
20SFTS04MXX |
| 4 mm |
12 |
45 |
|
13 |
17 |
11 |
3 |
M 7 x 0,5 |
铜镀镍 |
20SFTS04MXN |
阳接头|插头体|Plugs |
| |
端口
A |
Hex
SW |
L
mm |
D
mm |
L1
mm |
L2
mm |
Hex1
SW |
B
mm |
G
mm |
Version
材质 |
Part Number
订货号 |
外螺纹 Male Thread
|
M 5 |
7 |
18 |
|
5 |
|
|
|
|
标准 |
20SFAM05MXX |
| M 5 |
7 |
18 |
|
5 |
|
|
|
|
铜镀镍 |
20SFAM05MXN |
| G 1/8 |
11 |
20 |
|
7 |
|
|
|
|
标准 |
20SFAW10MXX |
| G 1/8 |
11 |
20 |
|
7 |
|
|
|
|
铜镀镍 |
20SFAW10MXN |
内螺纹 Female Thread
|
M 5 |
7 |
17 |
|
5 |
|
|
|
|
标准 |
20SFIM05MXX |
| M 5 |
7 |
17 |
|
5 |
|
|
|
|
铜镀镍 |
20SFIM05MXN |
| G 1/8 |
12 |
19 |
|
7 |
|
|
|
|
标准 |
20SFIW10MXX |
| G 1/8 |
12 |
19 |
|
7 |
|
|
|
|
铜镀镍 |
20SFIW10MXN |
更多Rectus 快速接头产品信息,请您关注产品细节页面,或者来电咨询我们:010-8428 2935 或者邮件至:sales@cnmec.biz
|