|
|
|
|

Rectus利达时低压系列接头:黄铜 | 碳钢 |20KB系列快速接头 RECTUS Series 系列20KB快速接头
Parker ,Rectus和Tema三大公司都经过了长期的独立发展阶段,2007年美国Parker派克收购了Rectus和TEMA与其业务交叉的部门,将三个公司业务相似和产品相同的设备线进行重组,利用各自优势,协同品牌效应,增强新整合部门的综合实力。因此,新创建的QCDE的(欧洲快速接头分部)结合国际地位与领先的技术和创新领域的气动和液压连接件,这使得QCDE成为行业合作范围最广、最具价值的合作伙伴,助力更多企业走向成功。
Rectus成立于1950年,2000年Rectus收购TEMA品牌,共同组建了Rectus-TEMA,在经历了长期的自主研发和特定的客户市场,2007年全球运动控制元件和系统的领导者Parker 全面收购(Rectus)利达时及(TEMA)天马品牌,在欧洲Nussdorf 组建QCDE总部,Rectus和Tema具有多年专业的开发快速接头的经验,使我们的客户能够从我们这里得到各种领域应用的快速连接件。RECTUS quick connect couplings have stood for the highest precision and reliability. The pneumatic systems are used in many industries, primarily for compressed air but also for connections with liquid media.
Rectus利达时低压系列接头:黄铜 | 碳钢 |20KB系列快速接头 RECTUS Series 系列20KB快速接头
 |
双截止
Double Shut-Off |
通径 Nominal Diameter
2.7 = 5 mm2 |
|
|

流量压力损失表
Chart


|
特征描述
Technical Description
Mini industrial
coupling, internationally used profile. Notable for a high flow and
numerous application options with various media. Frequent use in medical
technology and chemistry/pharmacy.
|
优点 Advantages
Single handed operation. Small
dimensions. Minimal pressure drop.
替换产品
Interchangeability
WALTHER LP002 |
工作压力 Working Pressure
最大工作压力 35 bar,
最大静态压力的安全系数为4:1。
工作温度 Working Temperature*
-20°C ~ +100°C (NBR)
-40°C ~
+120/150°C (EPDM)
-15°C ~ +200°C
(FKM)
温度取决于介质
*特殊工况温度产品
当温度低于-20°C或者高于+100°C时,需要使用特殊的密封圈,请联系我们。 |
| 材料|材质 Material |
|
|
| 阳接头 Coupling |
标准Standard |
铜镀镍Nickel Plated |
Back Body
Valve Body
Sleeve
Valve
Spring and Locking
Ring
Locking Balls
Seals
(Sleeve made of Aluminium
elox. on request) |
Brass
Brass
Brass
Brass
AISI 301
AISI
420
NBR |
Brass, Nickel Plated
Brass,
Nickel Plated
Brass, Nickel Plated
Brass
AISI 301
AISI 420
NBR |
| 阴接头 Plug |
|
|
Plug Profile
Back Body
Valve
Spring
Seal |
Brass
Brass
Brass
AISI 301
NBR |
Brass, Nickel Plated
Brass,
Nickel Plated
Brass
AISI 301
NBR |
| 相关文档 Documents |
|
|
安全须知
Safety Instructions |
安装及维护说明
Installation & Maintenance |
操作说明
Operating
instructions |
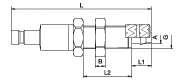
阴接头 | 接头体 | Couplings |
| |
端口
A |
Hex
SW |
L
mm |
D
mm |
L1
mm |
L2
mm |
Hex1
SW |
B
mm |
G
mm |
材质 |
订货号 |
|
M 5 |
9 |
26 |
10 |
5 |
|
|
|
|
标 准 |
20KB AM05 MPX |
| M 5 |
9 |
26 |
10 |
5 |
|
|
|
|
镀镍表面 |
20KB AM05 MPN |
| G 1/8 |
11 |
28 |
10 |
7 |
|
|
|
|
标 准 |
20KB AW10 MPX |
| G 1/8 |
11 |
28 |
10 |
7 |
|
|
|
|
镀镍表面 |
20KB AW10 MPN |
|
M 5 |
9 |
26 |
10 |
5 |
|
|
|
|
标 准 |
20KB IM05 MPX |
| M 5 |
9 |
26 |
10 |
5 |
|
|
|
|
镀镍表面 |
20KB IM05 MPN |
| G 1/8 |
12 |
28 |
10 |
7 |
|
|
|
|
标 准 |
20KB IW10 MPX |
| G 1/8 |
12 |
28 |
10 |
7 |
|
|
|
|
镀镍表面 |
20KB IW10 MPN |
|
3x4 mm |
9 |
34 |
10 |
7 |
5 |
|
|
M 7x0,5 |
标 准 |
20KB KO04 MPX |
| 3x4 mm |
9 |
34 |
10 |
7 |
5 |
|
|
M 7x0,5 |
镀镍表面 |
20KB KO04 MPN |
| 3x5 mm |
9 |
34 |
10 |
7 |
5 |
|
|
M 7x0,5 |
标 准 |
20KB KO05 MPX |
| 3x5 mm |
9 |
34 |
10 |
7 |
5 |
|
|
M 7x0,5 |
镀镍表面 |
20KB KO05 MPN |
| 4x6 mm |
9 |
34 |
10 |
7 |
5 |
|
|
M 8x0,5 |
标 准 |
20KB KO06 MPX |
| 4x6 mm |
9 |
34 |
10 |
7 |
5 |
|
|
M 8x0,5 |
镀镍表面 |
20KB KO06 MPN |
Panel Mount, Plastic Hose Connection
|
3x4 mm |
12 |
45 |
10 |
7 |
17 |
11 |
3 |
M 7x0,5 |
标 准 |
20KB KS04 MPX |
| 3x4 mm |
12 |
45 |
10 |
7 |
17 |
11 |
3 |
M 7x0,5 |
镀镍表面 |
20KB KS04 MPN |
| 3x5 mm |
12 |
45 |
10 |
7 |
17 |
11 |
3 |
M 7x0,5 |
标 准 |
20KB KS05 MPX |
| 3x5 mm |
12 |
45 |
10 |
7 |
17 |
11 |
3 |
M 7x0,5 |
镀镍表面 |
20KB KS05 MPN |
| 4x6 mm |
12 |
45 |
10 |
7 |
17 |
12 |
3,5 |
M 8x0,5 |
标 准 |
20KB KS06 MPX |
| 4x6 mm |
12 |
45 |
10 |
7 |
17 |
12 |
3,5 |
M 8x0,5 |
镀镍表面 |
20KB KS06 MPN |
宝塔接头 Hose Barb
|
3 mm |
|
35 |
10 |
13 |
|
|
|
|
标 准 |
20KB TF03 MPX |
| 3 mm |
|
35 |
10 |
13 |
|
|
|
|
镀镍表面 |
20KBTF03MPN |
| 4 mm |
|
35 |
10 |
13 |
|
|
|
|
标 准 |
20KB TF04 MPX |
| 4 mm |
|
35 |
10 |
13 |
|
|
|
|
镀镍表面 |
20KB TF04 MPN |
| 5 mm |
|
34 |
10 |
13 |
|
|
|
|
标 准 |
20KB TF05 MPX |
| 5 mm |
|
34 |
10 |
13 |
|
|
|
|
镀镍表面 |
20KB TF05 MPN |
Panel Mount, Hose Barb
|
3 mm |
12 |
51 |
10 |
13 |
17 |
11 |
3 |
M 7x0,5 |
标 准 |
20KB TS03 MPX |
| 3 mm |
12 |
51 |
10 |
13 |
17 |
11 |
3 |
M 7x0,5 |
镀镍表面 |
20KB TS03 MPN |
| 4 mm |
12 |
51 |
10 |
13 |
17 |
11 |
3 |
M 7x0,5 |
标 准 |
20KB TS04 MPX |
| 4 mm |
12 |
51 |
10 |
13 |
17 |
11 |
3 |
M 7x0,5 |
镀镍表面 |
20KB TS04 MPN |
阳接头|插头体(带截止阀)|Valved Plugs |
| |
端口
A |
Hex
SW |
L
mm |
D
mm |
L1
mm |
L2
mm |
Hex1
SW |
B
mm |
G
mm |
材质 |
订货号 |
|
M 5 |
9 |
28 |
|
5 |
|
|
|
|
标 准 |
20SB AM05 MPX |
| M 5 |
9 |
28 |
|
5 |
|
|
|
|
镀镍表面 |
20SB AM05 MPN |
| G 1/8 |
11 |
30 |
|
7 |
|
|
|
|
标 准 |
20SB AW10 MPX |
| G 1/8 |
11 |
30 |
|
7 |
|
|
|
|
镀镍表面 |
20SB AW10 MPN |
|
M 5 |
9 |
26 |
|
5 |
|
|
|
|
标 准 |
20SB IM05 MPX |
| M 5 |
9 |
26 |
|
5 |
|
|
|
|
镀镍表面 |
20SB IM05 MPN |
| G 1/8 |
12 |
30 |
|
7 |
|
|
|
|
标 准 |
20SB IW10 MPX |
| G 1/8 |
12 |
30 |
|
7 |
|
|
|
|
镀镍表面 |
20SB IW10 MPN |
阳接头|插头体(带截止阀)|Valved Plugs |
| |
端口
A |
Hex
SW |
L
mm |
D
mm |
L1
mm |
L2
mm |
Hex1
SW |
B
mm |
G
mm |
材质 |
订货号 |
Plastic Hose Connection
|
3x4 mm |
9 |
30,5 |
|
7 |
5 |
|
|
M 7x0,5 |
标 准 |
20SB KO04 MPX |
| 3x4 mm |
9 |
30,5 |
|
7 |
5 |
|
|
M 7x0,5 |
镀镍表面 |
20SB KO04 MPN |
| 3x5 mm |
9 |
30,5 |
|
7 |
5 |
|
|
M 7x0,5 |
标 准 |
20SB KO05 MPX |
| 3x5 mm |
9 |
30,5 |
|
7 |
5 |
|
|
M 7x0,5 |
镀镍表面 |
20SB KO05 MPN |
| 4x6 mm |
9 |
30,5 |
|
7 |
5 |
|
|
M 8x0,5 |
标 准 |
20SB KO06 MPX |
| 4x6 mm |
9 |
30,5 |
|
7 |
5 |
|
|
M 8x0,5 |
镀镍表面 |
20SB KO06 MPN |
Panel Mount, Plastic Hose Connection
|
3x4 mm |
12 |
46,5 |
|
7 |
17 |
11 |
3 |
M 7x0,5 |
标 准 |
20SB KS04 MPX |
| 3x4 mm |
12 |
46,5 |
|
7 |
17 |
11 |
3 |
M 7x0,5 |
镀镍表面 |
20SB KS04 MPN |
| 3x5 mm |
12 |
46,5 |
|
7 |
17 |
11 |
3 |
M 7x0,5 |
标 准 |
20SB KS05 MPX |
| 3x5 mm |
12 |
46,5 |
|
7 |
17 |
11 |
3 |
M 7x0,5 |
镀镍表面 |
20SB KS05 MPN |
| 4x6 mm |
12 |
46,5 |
|
7 |
17 |
12 |
3,5 |
M 8x0,5 |
标 准 |
20SB KS06 MPX |
| 4x6 mm |
12 |
46,5 |
|
7 |
17 |
13 |
3,5 |
M 8x0,5 |
镀镍表面 |
20SB KS06 MPN |
宝塔接头 Hose Barb
|
3 mm |
8 |
36 |
|
13 |
|
|
|
|
标 准 |
20SB TF03 MPX |
| 3 mm |
8 |
36 |
|
13 |
|
|
|
|
镀镍表面 |
20SB TF03 MPN |
| 4 mm |
8 |
36 |
|
13 |
|
|
|
|
标 准 |
20SB TF04 MPX |
| 4 mm |
8 |
36 |
|
13 |
|
|
|
|
镀镍表面 |
20SB TF04 MPN |
| 5 mm |
8 |
36 |
|
13 |
|
|
|
|
标 准 |
20SB TF05 MPX |
| 5 mm |
8 |
36 |
|
13 |
|
|
|
|
镀镍表面 |
20SB TF05 MPN |
Panel Mount, Hose Barb
|
3 mm |
12 |
52,5 |
|
13 |
17 |
11 |
3 |
M 7x0,5 |
标 准 |
20SB TS03 MPX |
| 3 mm |
12 |
52,5 |
|
13 |
17 |
11 |
3 |
M 7x0,5 |
镀镍表面 |
20SB TS03 MPN |
| 4 mm |
12 |
52,5 |
|
13 |
17 |
11 |
3 |
M 7x0,5 |
标 准 |
20SB TS04 MPX |
| 4 mm |
12 |
52,5 |
|
13 |
17 |
11 |
3 |
M 7x0,5 |
镀镍表面 |
20SB TS04 MPN |
| 6 mm |
12 |
46,5 |
|
13 |
17 |
12 |
3 |
M 10x1 |
标 准 |
20SB TS06 MPX |
| 6 mm |
12 |
46,5 |
|
13 |
17 |
12 |
3 |
M 10x1 |
镀镍表面 |
20SB TS06
MPN |
更多Rectus快速接头产品信息,请您关注产品细节页面,或者来电咨询我们:010-84282935 或者邮件至:sales@cnmec.biz
|